Bmw-160kva, Bmw-120kva Landscape Street Lighting Load Voltage Stabilization and Energy Saving Device With Wireless Monitoring
Recently, relevant national departments jointly issued the "Action Plan for Green and Low-Carbon Development of the Information and Communication Industry (2022-2025)" (hereinafter referred to as the "Plan") to promote the green, low-carbon and high-quality development of the information and communication industry during the 14th Five-Year Plan period and empower the whole society to save energy, reduce emissions and promote the peak of carbon emissions. As a new generation of urban information infrastructure, smart light poles have been widely used in projects. However, the cost of intelligent street light poles is very high. Coupled with the large number of street light poles on the road, the renovation cost is very high. The smart light poles with LED displays are exposed to the wind and sun for a long time, and the later operation and maintenance are very complicated. Therefore, for more street light renovation plans in old urban areas, more street light lighting control devices are used. Rated working current: (A): 20A, 30A, 40A, 45A, 50A, 60A, 63A, 80A, 100A, 120A, 125A, 150A, 160A, 170A, 180A, 190A, 200A, 250A, 300A, 315A, 400A;
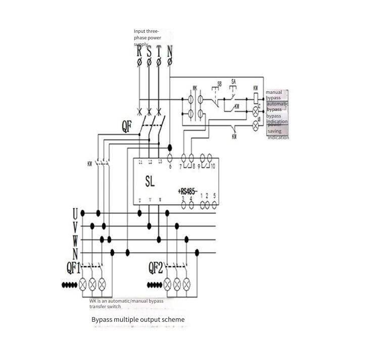
The lighting load voltage stabilizing and energy-saving device realizes the control of each street light from the existing loop control by installing terminal equipment and establishing a communication channel. Thus, the effects of point-by-point control, time-based control, and demand-based control can be achieved. At the same time, it can also realize automatic fault detection, monitoring and statistics of street light operation parameters, etc. While improving the lighting rate, it reduces the manual difficulty and improves the urban refinement level.
BMW-160KVA BMW-120KVA Landscape Street Lighting Load Voltage Stabilizing and Energy-Saving Device Wireless Monitoring Common problem analysis and solutions:
Normally, it is normal for the temperature to be below sixty degrees. If it exceeds this range, then you have to take a good look at the following four points:
(1) Whether the startup and operation time is too long;
(2) Is the indoor area well-ventilated or is the room temperature too high?;
(3) Is it in use?;
(4) The coil is defective.
Solution 1: Adjust the usage (power-on) time;
Solution 2: Ventilate the room and adjust the room temperature;
Solution 3: Check if the electrical appliances are working properly! You can turn off unnecessary electrical appliances;
Solution 4: Remove the side with fine sand
Main technical parameters of the lighting load voltage-stabilizing energy-saving device
1. Rated output voltage: Single-phase: 220V Three-phase: 220V/380V
2. Voltage-stabilizing correction range: Single-phase: 200V - 250V (adjustable) Three-phase: 350V - 430V (adjustable)
3. Input voltage fluctuation range: Single-phase: 160V - 250V Three-phase: 280V - 430V
4. Voltage-stabilizing accuracy: Single-phase: ±2% (internal adjustment can be selected from ±0.5% - ±3%) Three-phase: ±3% (internal adjustment can be selected from ±1% - ±4%)
5. Waveform distortion rate:
6. Temperature rise:
7. Efficiency: > 96%
Differences between BMW-160KVA and BMW-120KVA landscape street lamp lighting load voltage stabilization and energy-saving devices with wireless monitoring:
1. The voltage adjustment speed of the electronic voltage regulation and stabilization device is fast, ≤ 40ms;
The voltage adjustment speed of other power voltage regulation and stabilization devices affected by mechanical transmission is extremely slow. The faster the response speed, the better it can protect the subsequent electrical equipment from voltage fluctuations in the line.
2. Other voltage stabilization devices need frequent maintenance and replacement due to the internal chain structure and carbon brush pieces; while the electronic power voltage regulation and stabilization device uses thyristor electronic components and does not need them.
3. The electronic power voltage regulation and stabilization device all uses a ring controller, with low self-power consumption and an efficiency of 98%; other power voltage regulation and stabilization devices have high self-power consumption and a usage efficiency of 95%.
4. Each phase of the street lamp monitoring terminal control box can...; other power voltage regulation and stabilization devices cannot for each phase.
5. The output waveform in the voltage is a sine wave without noise.
6. It is equipped with a 40KA surge protector inside, which can bidirectionally absorb the peak surges in the line.
Send Inquiry to This Supplier
You May Also Like
-
Thlxd-zm-60kw Integrated Voltage-regulating Circuit Lighting Energy-saving Control System for Industrial Parks, Street Lamp Voltage-regulating ControllerUS$ 600 - 615.23MOQ: 1 Piece
-
Dr420-lc, Dr620-lc, Dr820-lc 4-channel Switch Controller for Landscape Intelligent LightingUS$ 153.85 - 169.23MOQ: 1 Set
-
Intelligent Power-saving Device for Street Lighting Pg-345sd, Pg-3060sd, Pg-3150sd With Light Control and Longitude-latitude ControlUS$ 1692.31 - 1750.77MOQ: 1 Piece
-
Pt007t Street Light Energy Saver, Voltage Stabilization and Regulation Integrated Cabinet Pt2007c Astronomical Clock With Longitude and Latitude Time ControlUS$ 138.46 - 153.69MOQ: 1 Set
-
Intelligent Street Light Energy Saver, Universal Voltage Stabilizing and Current Limiting Energy-saving Cabinet Aixn-2c-80, Aixn-2c-120US$ 1461.54 - 1507.69MOQ: 1 Piece
-
Led Street Light Illumination Dimming Control Device System Chjn-zh-80kva Chjn-zh-40kvaUS$ 153.85 - 212.31MOQ: 1 Piece
-
Pt/ss4.16 Emergency Lighting Switch Driver Module, 4-channel Intelligent Lighting Controller for Scenic AreasUS$ 130.77 - 146.15MOQ: 1 Set
-
Intelligent Street Light Power-saving Monitoring System, Voltage-stabilizing Energy-saving Lighting Controller Pgl-1250sd, Pgl-350sdUS$ 1538.46 - 1596.92MOQ: 1 Piece
-
Remote Control Device for Factory Street Lights in Jinzhou, Energy-saving, Voltage-reducing and Flow-throttling, Aix-2c-100, Aix-2c-60US$ 1769.23 - 1815.38MOQ: 1 Piece
-
Thlxd-zm-50a, Thlxd-zm-120a Tunnel Lighting Energy Saver, Intelligent Street Lamp Voltage Regulation and Energy Saving DeviceUS$ 153.54 - 153.69MOQ: 1 Unit

