Thlxd-pt-0.4-30kw 60kw Hefei Highway Tunnel Energy-saving Reconstruction Led Lighting Dimming System
The THLXD - PT - 0.4 - 30KW 60KW Hefei Highway Tunnel Energy - Saving Renovation LED Lighting Dimming System, an intelligent lighting power - saving system, optimizes the input voltage of the power supply system through electromagnetic induction. It uses AC - AC direct conversion technology to adjust the voltage, and the voltage supplied to the lighting load is the optimal value for the lamp design voltage. This achieves the triple goals of saving electricity, extending the lamp life, and meeting the lighting standard requirements. The series products adopt comprehensive anti - interference technology, lightning protection technology, and anti - surge technology in the software and hardware design, complying with EMC (GB/T 13926.4 - 92). The product performance is excellent, and it can operate safely and reliably for a long time. Model summary: THLXD - PT - 0.4 - 10KW, THLXD - PT - 0.4 - 20KW, THLXD - PT - 0.4 - 30KW, THLXD - PT - 0.4 - 40KW, THLXD - PT - 0.4 - 50KW, THLXD - PT - 0.4 - 60KW, THLXD - PT - 0.4 - 80KW, THLXD - PT - 0.4 - 100KW, THLXD - PT - 0.4 - 120KW, THLXD - PT - 0.4 - 150KW, THLXD - PT - 0.4 - 160KW, THLXD - PT - 0.4 - 180KW, THLXD - PT - 0.4 - 200KW.
Technical indicators of the Highway Tunnel Energy - Saving Renovation LED Lighting Dimming System
1. Operating voltage: Input: 380V (+25%, - 5%), 50Hz; Output: +25%/-5% of the rated voltage, +11%/-19% of the power - saving voltage, +10%/-25% of the power - saving voltage (for high - pressure sodium lamps), 380V/220V (±2%), 50Hz
2. It has a soft - start function;
3. Contactless voltage regulation;
4. Automatic voltage stabilization function;
5. Three - phase adjustment, allowing * unbalanced loads;
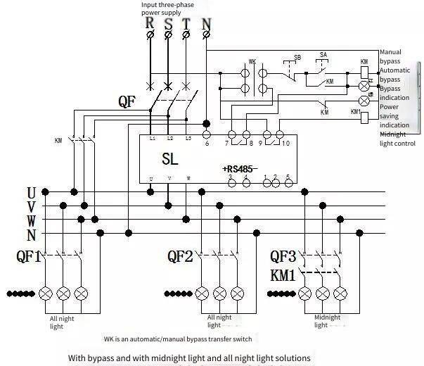
6. It is equipped with a static bypass. In addition to the normal voltage stabilization and energy - saving working circuits for each phase, it also has two sets of static bypasses;
7. No harmonic distortion in the output;
8. Operating temperature: - 40℃~+80℃; Relative humidity: 0~95% without condensation; MTBF≥60000h; Noise (at 1 meter)
="">9. Rapid adjustment: The equipment can quickly adjust in time according to the fluctuations of the grid voltage, and the adjustment time
="">10. Whether in the 220V voltage - stabilization state or the energy - saving state, it can ensure that the output voltage accuracy is within +2%;
1. Within the input voltage range, the output voltage can change smoothly and continuously within a range of 78V.
2. Remote control interface: It has a remote automation control RS-485 interface.
LED lighting dimming system and high-power power voltage regulation and stabilization device protection:
The cycle of the power voltage regulation and stabilization device can be determined according to specific circumstances. Generally, it is once every three to six months. The regular maintenance content needs to include the following four steps:
1. Clean the inside and outside of the power voltage regulation and stabilization device, especially the corners of each component where dust is likely to accumulate. Be sure to wipe them clean with a cotton cloth.
2. Replace the damaged or worn carbon brushes in time.
3. Check if there are any faults or damages in other components, and repair or replace them in time.
4. After the voltage stabilization device has been running for 1 year, the tightness of the chain should be appropriately adjusted.
Introduction to the software and hardware of the THLXD-PT-0.4-30KW 60KW energy-saving renovation LED lighting dimming system for Hefei highway tunnels:
The main electricity-consuming equipment in commercial buildings for office use mainly includes air conditioners, lighting, and office equipment. Among them, the air conditioner is used for 4 - 5 months every year; lighting fixtures include fluorescent lamps, energy-saving lamps, etc.; there are also other office equipment such as computers and printers. Among them, the electricity usage rates of air conditioners and lighting are high.
Energy-saving control: Internally, according to the characteristics of building lighting and electricity-consuming equipment such as lighting, office computers, low-power fans, and split air conditioners, mature energy-saving control and algorithm programs have been integrated, which can complete the self-diagnosis and self-adaptation functions of the power grid.
Energy-saving control hardware: The LED lighting dimming system for energy-saving renovation of highway tunnels is internally integrated with high-precision power measurement, electricity meter accumulation (statistics), power factor measurement, real-time harmonic monitoring, and based on the real-time monitored power grid parameters (three-phase power, power factor, harmonic value)
After the energy-saving control algorithm, it automatically controls the power drive module. Through the power drive module, it synchronously adjusts the electromagnetic energy coil to execute the corresponding actions!
Energy-saving power output: After the lighting energy-saving device, through the electromagnetic energy-saving component, when the real-time monitored electrical energy parameters and energy-saving algorithms are used, the drive module directly controls the internal electromagnetic balance voltage stabilization and electrical energy filtering adjustment device of the energy-saving device. When the unbalanced voltage or the input voltage is too high or too low, the power module will generate overlapping magnetic potentials on the internal three-phase magnetic core. Combined with the high-speed sampling of the controller, it automatically adjusts the power output and ensures that the lighting energy-saving device produces a relatively constant and pure power output under various extreme conditions, so as to achieve the effects of energy-saving, consumption reduction, and output, and ensure the safety of electricity-consuming equipment and the service life of electricity-consuming equipment.
Send Inquiry to This Supplier
You May Also Like
-
Thlxd-zm-80a Intelligent Lighting Energy-saving Regulation Device, Low-frequency Communication Color and Dimming ControllerUS$ 138.46 - 153.69MOQ: 1 Unit
-
Intelligent Street Lamp Lighting Voltage Stabilizing and Power-saving Device Ktjsq-3/80a Remote Light Control System Street Lamp ControllerUS$ 153.54 - 153.69MOQ: 1 Unit
-
Thlxd-zm-60kw Integrated Voltage-regulating Circuit Lighting Energy-saving Control System for Industrial Parks, Street Lamp Voltage-regulating ControllerUS$ 600 - 615.23MOQ: 1 Piece
-
Dr420-lc, Dr620-lc, Dr820-lc 4-channel Switch Controller for Landscape Intelligent LightingUS$ 153.85 - 169.23MOQ: 1 Set
-
Intelligent Power-saving Device for Street Lighting Pg-345sd, Pg-3060sd, Pg-3150sd With Light Control and Longitude-latitude ControlUS$ 1692.31 - 1750.77MOQ: 1 Piece
-
Pt007t Street Light Energy Saver, Voltage Stabilization and Regulation Integrated Cabinet Pt2007c Astronomical Clock With Longitude and Latitude Time ControlUS$ 138.46 - 153.69MOQ: 1 Set
-
Intelligent Street Light Energy Saver, Universal Voltage Stabilizing and Current Limiting Energy-saving Cabinet Aixn-2c-80, Aixn-2c-120US$ 1461.54 - 1507.69MOQ: 1 Piece
-
Led Street Light Illumination Dimming Control Device System Chjn-zh-80kva Chjn-zh-40kvaUS$ 153.85 - 212.31MOQ: 1 Piece
-
Pt/ss4.16 Emergency Lighting Switch Driver Module, 4-channel Intelligent Lighting Controller for Scenic AreasUS$ 130.77 - 146.15MOQ: 1 Set
-
Intelligent Street Light Power-saving Monitoring System, Voltage-stabilizing Energy-saving Lighting Controller Pgl-1250sd, Pgl-350sdUS$ 1538.46 - 1596.92MOQ: 1 Piece

