Steel Light Gauge Sheet Roll Forming Machine
Steel light gauge sheet manufactured by the Steel light gauge sheet roll forming machine are widely used in modern steel struct area.The following technical parameter is just one of model of the steel light gauge sheet roll forming machine,if you need other models ,you can send the email to us for the deeply comprehend.
Steel light gauge sheet roll forming machine MATERIAL PARAMETERS:
(1) Coil Width: according to different standards.
(2) Suitable Coil Thickness: 0.5mm
(3) Suitable Raw Materials: cold steel plate (550Mpa)
(4) suitable steel coil inner diameter: ¢508mm
(5) suitable steel coil outer diameter: ≤¢1200mm
(6) Suitable steel coil max weight: 2 Tons
Steel light gauge sheet roll forming machine main technical data
(1)Hydraulic decoiler--1 set (decoiler capacity is 2 tons)
(2)Feeding guider-1 set
(3)Main roll former-- 1 set
(4) Hydraulic Cutter-- 1 set (flying cutter model)
(5) Hydraulic station-- 1set
(6) PLC control system – 1 set
(7) Automatic final products stacker-1set (total length is 3 meters)
(1)Line working speed: 40m/min
(The line speed is calculated according to 2 meters length final products)
(2)Each piece final products length tolerance: ±1.5mm
(3)Roll forming line power source: 380V±10%/50HZ/3 Phase
(4)Raw material kind: cold rolled steel plate or galvanized steel plate
Steel light gauge sheet roll forming machine working process
Decoiler-leveler-material loop-feeder-puncher-material loop-roll former-cuter-final products output
Steel light gauge sheet roll forming machine MACHINE COMPONENTS:
(1)Hydraulic decoiler--1 set (decoiler capacity is 2 tons)
(2)Feeding guider-1 set
(3)Main roll former-- 1 set
(4) Hydraulic Cutter-- 1 set (flying cutter model)
(5) Hydraulic station-- 1set
(6) PLC control system – 1 set
(7) Automatic final products stacker-1set (total length is 3 meters)
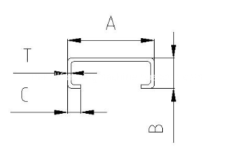
Profile drawing about the High speed Light keel metal sheet roll forming machine equipment


We can design and maufacture different Metal Carriage Board roll forming equipment according to your requirements with the profilw drawing,pls send the inquiry to us for the more information.
Send Inquiry to This Supplier
You May Also Like
-
Steel Downspout Roll Forming MachineNegotiableMOQ: 1 Bag
-
Cold Rolling Forming MachineryNegotiableMOQ: 1 Bag
-
Bumpers Cold Rolling/roll Forming MachineNegotiableMOQ: 1 Bag
-
Strut Rolling Forming MachinesNegotiableMOQ: 1 Bag
-
Metal Stud Light Steel Frame Making MachineNegotiableMOQ: 1 Bag
-
Watertite Gutter Roll Forming MachineNegotiableMOQ: 1 Bag
-
Seamless Water Gutter Roll Forming EquipmentNegotiableMOQ: 1 Bag
-
Carriage Steel Floor Plate Forming MachineNegotiableMOQ: 1 Bag
-
Metal Storage Rack Pallet Roll Forming MachineNegotiableMOQ: 1 Bag
-
Standing Seam Profile Sheet MachineNegotiableMOQ: 1 Bag

