GB30720 Standard Aluminum Pans for Domestic Gas Cooking Appliance
GB30720 Standard Aluminum Pans for Domestic Gas Cooking Appliance
1. Introduction
The Standard aluminum Pans are designed according to GB30720:2014. The test pans are made of commercial quality aluminum with density of 2700kg/m2, and treated by electrochemical to make the pans apprears matte-black to meet the chroma requirements of L≤50, a≤±10, b≤±10. Using a tightening joint to secure the mercury thermometer with a through hole range of 3.0 mm -7.0 mm, the stir tray is made of stainless steel with thickness 1mm.
2. Parameters
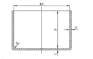
Internal diameter measured at the topφA |
thickness of base C |
thickness of the side D |
internal height H |
Mass/g |
| 200mm | 2mm |
1.5mm | 130mm |
540mm |
| 220mm | 2mm | 1.5mm | 140mm | 680mm |
| 240mm | 2mm | 1.5mm | 150mm | 800mm |
| 260mm | 2.5mm | 1.8mm |
160mm | 965mm |
| 280mm | 2.5mm | 1.8mm | 170mm | 1130mm |
| 300mm |
2.5mm | 1.8mm | 180mm | 1350mm |
| 320mm | 2.5mm | 1.8mm | 190mm | 1520mm |
| 340mm | 2.5mm | 1.8mm | 200mm | 1800mm |
Send Inquiry to This Supplier
You May Also Like
-
IEC60884-1 Figure 8 Plug Compression TesterNegotiableMOQ: 1 Set
-
JIS D0203 R1/R2 Spray Nozzle and S1/S2 Rain Nozzle Test ChamberNegotiableMOQ: 1 Set
-
IEC60529 IPX9K High Temperature and High Pressure Jet Spray Test ChamberNegotiableMOQ: 1 Set
-
3 Water Spray Heads UL60507 Waterproof Test EquipmentNegotiableMOQ: 1 Set
-
IEC60529 Dust Chamber for IP5X and IP6X TestingNegotiableMOQ: 1 Set
-
IEC60529 Jet Nozzles Test Chamber for IPX5 and IPX6 TestingNegotiableMOQ: 1 Set
-
IEC60529 IPX8 High Pressure Water TankNegotiableMOQ: 1 Set
-
IEC60529 Vertical Rain Drip Box Test Chamber for IPX1 and IPX2 TestingNegotiableMOQ: 1 Set
-
IEC60529 Oscillating Tube Test Chamber for IPX3 and IPX4 TestingNegotiableMOQ: 1 Set
-
ISO16750-4 Ice Water Splash Test ChamberNegotiableMOQ: 1 Set
