Z2 High Torque Simo DC Motor
|
Z2 High Torque SIMO DC Motor
| ||||||||
| Type |
Rated power |
Rated voltage |
Rated speed |
Rated current |
Speed with field weakened |
Exciting power |
Efficiency | Mass |
| KW | V | R/MIN | A | R/MIN | W | % | KG | |
| Z2-200-31 | 37 | 440 | 600 | 99.5 | 1200 | 1360 | 82 | 565 |
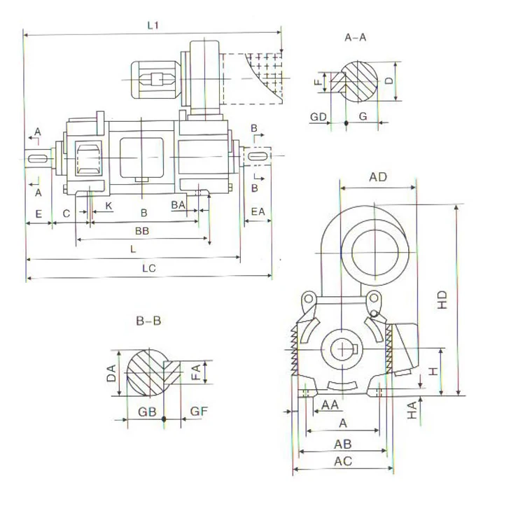
Drawing: Horizontal Mounting with feet
| Frame NO. | Mounting Dimension(mm) | Overall Dimension(mm) | ||||||||||||||||||||||||
| A | B | C | D | DA | E | EA | F | FA | G | GB | GD | GF | H | K | AB | AC | AA | BA | BB | AD | HA | HD | L | LC | L1 | |
| Z2-200-31 | 318 | 686 | 133 | 65 | 65 | 140 | 140 | 18 | 18 | 58 | 58 | 11 | 11 | 200 | 19 | 396 | 430 | 80 | 85 | 766 | 355 | 18 | 755 | 1097 | 1232 | 1278 |
* In addition, we also provide IMB35 type installation of the DC MOTOR
Z2 DC motor: The center height accord with china of standard JB/T6316-92; Center height 400-450mm ; Center Height 500-710mm is new middle electric dc motor .
Z4 dc motor is more than z2,z3,it not only can use Dc unit power supplying,and is suitable to supply static current power.And the small inertia, good dynamic performance, and can suffer a higher rating of load, especially suitable for smooth speed, high efficiency, automatic steady speed, smart control system,with the international advanced level. 160v rated voltage of electric motor work with electric reactor under Single
phase bridge rectifier power supplying, The induction value of the reactor on the name plate.rated voltage 440v motor does not connect External reactor.
Our motor can be designed by customers for power , voltage,speed,excited Voltage.
This motor not only accord with international standard GB/T755 and also keeping with Germany VDE0530
DC motors is suitable for wide speed ,overloading no more than 1.6 times . Constant power of weak magnetic adjust up speed to 13times of rated speed. Constant torque reduces the armature voltage down to 20 r/min. It can be widely used in metallurgical industry, rolling mills, metal cutting machine tools, paper, dyeing, printing, cement, plastic extrusion machinery and other industrial sectors.

Please contact us at +86 18191654119
Send Inquiry to This Supplier
You May Also Like
-
Reliable Simo High Voltage Slip Ring MotorUS$ 2000 - 2001MOQ: 1 Piece
-
J164 Copper Carbon Brush ManufacturerUS$ 20 - 500MOQ: 1 Piece
-
Reliable Simo High Voltage Slip Ring MotorUS$ 2000 - 2001MOQ: 1 Piece
-
J164 Copper Carbon Brush ManufacturerUS$ 20 - 500MOQ: 1 Piece
-
Simo dc Motor 220v Made in Simo GroupNegotiableMOQ: 1 Piece
-
Z2 High Torque Simo DC MotorUS$ 1000 - 10000MOQ: 1 Piece
-
Z2 220V High Torque Simo DC Motor for Rolling MillUS$ 100 - 5000MOQ: 1 Piece
-
Golf Cart Motor XQ-3.8-3 DC Motor Original and NewNegotiableMOQ: 1 Piece
-
9HP Loncin 224cc Gasoline Engine Brushless DC Motor Strong Power Wireless Lawn Mower TrimmerUS$ 1100 - 2900MOQ: 1 Unit
-
DC MotorNegotiableMOQ: 2500 Pieces

