4 Passages 78mm 30RPM Electrical Ethernet Hybrid Slip Rings
JARCH 4 Passages 78mm 30RPM Electrical Ethernet Hybrid Slip Rings
Electrical Ethernet Hybrid Slip Rings Four Passage With 78mm Overall Diameter , 30RPM Speed
Feature:
***OD:78mm
***24 circuits,2A/5A/10A/15A current
***4 passage(8mm) with 8-10mm tube
***Passage media:compressed air
***For packaging / wrapping machinery

Electrical Specifications:
| Rings | 2 ~ 24 | Current | Signal(2A) or 5A /15A |
| Voltage | mV~240 VDC/VAC | Max speed | 30RPM |
| Through bore size | None | Overall diameter | 78mm |
| Housing Material | Aluminium Alloy | Torque | 0.05N.m;+0.03N.m/6rings |
| Working life | 50million | Contact material | Precious Metal:Gold-Gold |
| Electrical noise | Contact Resistance | ||
| Dielectric strength | 1000VDC@50Hz | Lead Wire | UL Teflon® Awg26,Awg22,Awg16 |
| Insulation resistance | 500MΩ@600VDC | Lead Lengths | 300mm(12") |
| Operating Temp. | -40°C to 80°C | Protection | IP54 |
| Materials | Lead Free, ROHS | Certified | CE,FCC |
Slip rings can be used in any electromechanical system that requires unrestrained, continuous rotation while transferring power or data from a stationary to a rotating structure.
JARCH HY Series Pneumatic Electrical Rotary Union Support 2-24 passage way Pneumatic/Hydraulic, it can combine with power,signal,Ethernet,USB,Devicenet,Control Net,Canbus on request. It also could be mounted by shaft or optional flange mounting.Passage media types can use Air/Gas, Chemical, DI / Tap Water, Oil, Water/Glycol.
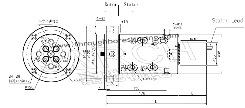
The JSR-HY025-24E-4 provides 4 passage 8mm compressed air passage, combine 2 ~ 24 circiuts 2A/15A electrical slip ring.The slip ring provide a rotary flange can be install on a rotary table.
Dimensions:
Dimension L To Be Advised When Ring And Current Details Are Options . Please Contact JARCH Technical Department
Applications:
• Exhibit/display equipment
• Packaging / wrapping machinery
• Semiconductor handling systems
• Industrial machinery
• rotary index tables
• Process control equipment
JARCH is a professional Slip Ring & Routry Joint manufacturer in Shenzhen, China. JARCH has become one of the best-known Chinese brands in the world for high quality slip rings and first-rate services. Since we were founded in 1998, we have been committed to innovating, developing and manufacturing high quality slip rings and providing perfect rotation solutions for customers around the world.
If you have any questions, please contact us without any hesitation.
|
Shenzhen JARCH Electronics Technology Co.,Ltd.
Main Item list: slip ring,rotary union,fiber optic rotary joint(FORJ),hose reel/cable reel,carbon brush,brush holder...
Customer Service: ATTN: Ms.Kris Yao E-mail: kris Phone&WhatsApp:86-13929708571 Skype/Kakao: krisyao313 Wechat: laoyao313 QQ: 3003854385
|
|
Send Inquiry to This Supplier
You May Also Like
-
Stainless Steel Rotary Union Copper Rotary Joints for Continuous Steel Casting MachineUS$ 400 - 1000MOQ: 1 Piece
-
Stainless Steel Rotary Union Copper Rotary Joints for Continuous Steel Casting Machine Product Description Stainless Steel Rotary Union Copper Rotary Joints for Continuous Steel Casting Machine Rotary Joints, Also Known as Rotary Couplings or SwivUS$ 400 - 1000MOQ: 1 Piece
-
Military Electrical Pneumatic Rotary Coupling Slip Ring With 6 CircuitsUS$ 150 - 190MOQ: 2 Pieces
-
Electro Slip Ring Joint Hydraulic Pneumatic Rotary Union for Ice Cream MachineUS$ 100 - 300MOQ: 2 Pieces
-
Electrical Combined Slip Ring Pneumatic Rotary Union 2-way Gas 6-way Signal for Rotating EquipmentUS$ 100 - 300MOQ: 2 Pieces
-
SMC Rotary Joint Pneumatic MQR Rotary Union Instead of SMCUS$ 200 - 500MOQ: 1 Piece
-
SMC Rotary Joint Pneumatic Rotary Union 2-16 Channels 4 mm Diameter Rotary Joint Slip RingUS$ 200 - 500MOQ: 1 Piece
-
300RPM Pneumatic Rotary Joint Electrical Flange Type Slip RingUS$ 150 - 300MOQ: 2 Pieces
-
Rotary Union Electrical Flange Type Pneumatic Slip Ring Connector for Large EquipmentUS$ 150 - 300MOQ: 2 Pieces
-
60 Circuit Hybrid Sliprings Air Through Bore Slip Ring HydraulicUS$ 200 - 400MOQ: 1 Piece




