MI SWACO Meter Assy Digital Stroke Rate 2 Pump 9611321
MI SWACO Meter Assy Digital Stroke Rate 2 Pump 9611321
Direct:info{at}
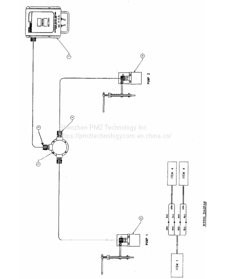
FIGURE 4, METER 3 PUMP W/LIMIT SWITCH 96-11-625
ITEM
NO. QTY. PART NO. DESCRIPTION
1 1 96-11-612 METER ASSY, DIGITAL 3 PUMP
2 1 60-07-125 BOX, CONDUIT EP 4 PRT 1/2 NPT
3 4 65-60-049 CONNECTOR, CABLE NYLON .250-.375 DIA 1/2 NPT
4 3 96-11-049 SWITCH, LIMIT ASSY. PUMP STROKE
5 6 80-62-680 NUT, WIRE WING 12-18 AWG
DIGITAL PUMP
RATEMETER/COUNTER
Meter 2 Pump W/Limit Switch 9611626
Meter 2 Pump W/Mag Switch 9611641
Rate Meter Assy 2 Pump 9611321
Meter 3 Pump W/Limit Switch 9611625
Meter 3 Pump W/Mag Switch 9611633
Rate Meter Assy 3 Pump 9611612
METER 2 PUMP W/LIMIT SWITCH 96-11-626
FIGURE 1, METER 2 PUMP W/LIMIT SWITCH 96-11-626
ITEM
NO. QTY. PART NO. DESCRIPTION
1 1 60-07-124
BOX, CONDUIT EP 3 PRT 1/2 NPT
2 3 65-60-049
CONNECTOR, CABLE NYLON .250-.375 DIA 1/2 NPT
3 5 80-62-680
NUT, WIRE WING 12-18 AWG
4 2 96-11-049
SWITCH, LIMIT ASSY. PUMP STROKE
5 1 96-11-321
METER ASSY, DIGITAL 2 PUMP
METER 2 PUMP W/MAG SWITCH 96-11-641
ITEM
NO. QTY. PART NO. DESCRIPTION
1 1 96-11-321 METER ASSY, DIGITAL 2 PUMP
2 1 60-07-124 BOX, CONDUIT EP 3 PRT 1/2 NPT
3 1 65-60-049 CONNECTOR, CABLE NYLON .250-.375 DIA ½ NPT
4 2 96-11-635 SWITCH ASSY, PROXIMITY MAGNETIC
5 4 80-62-680 NUT, WIRE WING 12-18 AWG
6 2 65-60-042 CONNECTOR, CABLE NYLON .187-.250 DIA 1/2 NPT
FIGURE 3. RATE METER ASSY 2 PUMP 96-11-321
ITEM
NO. QTY. PART NO. DESCRIPTION
1 1 96-11-331 COVER
2 1 80-59-397 MODULE, LOGIC DIGITAL
3 1 96-11-325 SWITCH ASSY, MODULE 2 PUMP
4 1 96-11-328 BATTERY PACK
5 1 96-11-624 CASE
6 4 14-54-467 SCREW, PAN HD SS 8-32 NC X 1/2 IN
7 4 13-45-537 WASHER, LOCK SS #8
8 1 13-05-986 NUT, WING SS 10-32 NF
9 1 13-45-185 WASHER, FLAT SS # 10
10 4 13-45-233 WASHER, FLAT SS #6 X 5/16 OD
11 4 13-45-536 WASHER, LOCK SS #6
12 4 58-73-538 STANDOFF, SS FEM/FEM 1/4 HEX X 1 IN X 6-32 NF
13 1 96-11-385 HANDLE
14 2 13-45-540 WASHER, LOCK SS 1/4 IN
15 1 65-60-049 CONNECTOR, CABLE NYLON .250-.375 DIA 1/2 NPT
16 1 13-45-538 WASHER, LOCK SS #10
17 1 80-62-650 NUT, LOCK CONDUIT 1/2 IN
18 1 96-50-270 DECAL, DIGITAL 2 PUMP
19 2 13-05-288 NUT, HEX SS 1/4-28 NF
20 2 15-73-800 RIVET, POP SS 1/8 ID X 1/4 IN
ITEM
NO. QTY. PART NO. DESCRIPTION
1 1 65-60-046 CNECTR CABLE WP 1/2 NPT .250-.375 DIA
2 2 65-92-050 TERMNL WIRE RING 22-16 AWG #6 STUD INSULATED
3 1 65-92-095 TERMNL 22-18 AWG RING # STUD
4 1 79-06-111 CABLE ELEC 16/3 NEOPRENE JACKET SJO
5 2 80-87-255 TIE CABLE NYLON 3/16 IN X 12.5 IN LG
6 1 93-89-161 ROD ACTUATOR ROTARY SW 12 IN SS HONEYWELL
7 1 96-98-040 SWITCH ASSY PUMP STROKE & MOUNT
TEM
NO. QTY. PART NO. DESCRIPTION
1 1 96-11-571 COVER 3-PUMP DIGITAL RATE METER
2 1 80-59-397 MODULE, LOGIC
3 1 96-11-570 MODULE 3-PUMP SWITCH
4 1 96-11-328 PACK ASSEMBLY BATTERY
5 1 96-11-624 CASE PUMP RATE METER/COUNTER
6 4 14-54-467 SCREW PAN HD MCH SS 8-32 NC X 1/2 IN LC
7 4 13-45-537 WASHER, INT LOCK SS NO. 8
8 1 13-05-986 NUT WING SS 10-32 NF
9 1 13-45-185 WASHER FLAT SS NO. 10
10 4 13-45-233 WASHER FLAT SS NO. 6
11 4 13-45-536 WASHER INT LOCK SS NO. 6
12 4 58-73-538 HEX SS 6-32 NC STNOF FEA/FEA 1/4 X 10 LG
13 1 96-11-385 HANDLE STAINLESS STEEL
14 2 13-45-540 WASHER INT LOCK SS 1/4 IN
15 1 65-60-049
CONNECTOR CABLE 1/2 NPT STRAIGHT MALE
NYLON .250-.375
16 1 13-45-538 WASHER INT LOCK SS NO. 10
17 1 82-62-650 NUT CONDUIT LOCK 1/2 IN.
18 1 96-50-393 DECAL 3-PUMP STROKE METER
19 2 13-05-288 NUT, HEX SS 1/4-28 NF
20 2 ZFDO3040 RIVET POP 1/8 00 X 1/4 IN.LC
ITEM
NO. QTY. PART NO. DESCRIPTION
1 1 96-11-612 METER ASSY, DIGITAL 3 PUMP
2 1 60-07-125 BOX, CONDUIT EP 4 PRT 1/2 NPT
3 1 65-60-049 CONNECTOR, CABLE NYLON .250-.375 DIA 1/2 NPT
4 3 96-11-635 SWITCH ASSY, PROXIMITY MAGNETIC
5 6 80-62-680 NUT, WIRE WING 12-18 AWG
6 3 65-60-042 CONNECTOR, CABLE NYLON .187-.250 DIA 1/2 NPT
METER 3 PUMP W/MAG SWITCH 96-11-633
Send Inquiry to This Supplier
You May Also Like
-
FANN RESISTIVITY METER Model 88C DIGITAL 207960US$ 2000 - 2500MOQ: 1 Piece
-
FANN VISCOMETER MODEL 35SA S/N 10095275 WORM GEAR 207963US$ 20 - 25MOQ: 1 Piece
-
FANN INSTRUMENT VISCOMETER(V.G.METER) FANN MOD. 35,35A AND 35SA 30732US$ 10 - 12MOQ: 1 Piece
-
BROOKS Instrument Pressure Regulators Model 8601US$ 220 - 250MOQ: 1 Piece
-
Brooks Mechanical Pressure Regulator Model 8601US$ 250 - 300MOQ: 1 Piece
-
FANN Resistivity Meter Model 88C 207960US$ 680 - 750MOQ: 1 Piece
-
FANN Instruments Model 35 Viscometer 207199 and 10095275NegotiableMOQ: 1 Piece
-
FANN Instrument Filter Paper HPHT / LPLT PressesUS$ 10 - 15MOQ: 1 Box
-
WADECO Inc BY-0637 Model 10 (Type F) Pressure Gauge, 0-10,000US$ 1500 - 1600MOQ: 1 Piece
-
FANN VISCOMETER MODEL 35SA 10095275 207199US$ 20 - 22MOQ: 1 Piece


