Home > Products > Check Valve > ASME B16.10 150LB WCB RF Cast Steel Swing Check Valve
ASME B16.10 150LB WCB RF Cast Steel Swing Check Valve
- TIANJIN,QINGDAO,SHANGHAI
- T/T L/C D/P D/A Credit Card PayPal Cash Escrow Other
- 15 days
You May Like
-
DIN ASTM JIS Standard Plastic PVC CPVC Worm Gear Operated Type Butterfly Valve
-
High Quality DIN ASTM JIS Standard Plastic Socket End Diaphragm Valve
-
Plastic PVC UPVC Threaded End True Union Ball Check Valve With EPDM Seal
-
High Quality UPVC PVC PVDF Plastic DIN Grey Color Swing Check Valve
-
Plastic DN100 PVC Plastic Manual Hand Lever Butterfly Valve
-
Plastic PVC True Double Union Diaphragm Valve for Industrial System
Product Details
| Brand Name | solid | Place of Origin | China |
Product Description
The prime functin of a check valve is to protect mechanical equipment in a piping system by preventing reversal of flow by the fluid which means the check valve is an automatic valve with forward flow and close againgst reverse flow. The closure member of swing check valve swings about a hinge, which is which is mounted outside the seat.
Material Specification:
Body & Cover: WCB, LCB, WC1, WC6, WC9, C5, C12, CF3, CF3M, CF8, CF8M, Aluminium Bronze.
Seat Ring: A105, LF2, F304(L), F316(L), F51
Hinge & Disc: WCB, LCB, WC1, WC6, WC9, C5, C12, CF3, CF3M, CF8, CF8M, Aluminium Bronze
Hinge Pin: F6, F304(L), F316(L), Aluminium Bronze
Bolts & Nuts: B7/2H, B8M/8M
Standards:
API 6D, BS1868, ASME B16.34, ASME B16.5, ASME B16.25, ASME B16.10, MSS SP25
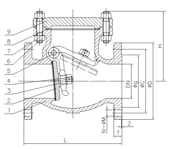
| Number | Name | Material |
|---|---|---|
| 1 | Body | WCB welding 13Cr |
| 2 | Disc | WCB welding 13Cr |
| 3 | Hinge | WCB |
| 4 | Nut | 304 SS |
| 5 | Hinge Pin | 304 SS |
| 6 | Nut | 304 SS |
| 7 | Stud | 304 SS |
| 8 | Gasket | 304 SS + Graphite |
| 9 | Bonnet | WCB |

Contact Us
- Shanxi Solid Industrial Co.,Ltd
Product Categories
| Gate Valve | Butterfly Valve | Check Valve | Globe Valve |
| Ball Valve | Air Valve | Y-strainer | API Valve |
| DIN Valve | PVC Valve | BRASS VALVE | Fire Hydrant |
| Foot Valve |
New Products
-
Factory Price Drinking Water PVC Single Union Bottom Valve Plastic Foot Valve
-
DIN ASTM JIS Standard Manual Lever Hand Plastic PVC Handled Wafer Type Butterfly Valve
-
Hot Sale Factory Price Customized Plastic Irrigation Air Release Valve
-
China Supply PVC,UPVC,CPVC,PVDF 2-way True Double Union Ball Valve With Manual Operated
-
FRPP PVDF CPVC UPVC PPH PVC Ball Check Valve, Non-Return Valve
-
DIN ASTM Standard PVC UPVC CPVC Pneumatic Control Plastic Socket Threaded True Union Cnnection Ball Valve
-
DIN ASTM Standard 1/2"-4" Plastic PVC Flanged True Union Ball Valve
-
Manual Plastic UPVC PVC Double Threaded True Union Water Valve Ball Valve
-
Manual Lever Hand CPVC, UPVC, PPH, PVDF Plastic Water Butterfly Valve
-
Plastic PVC UPVC Motorized Actuated Pneumatic Electric Control Double True Union Ball Valve
-
Plastic PVC CPVC UPVC Flange Globe Valve
-
PVC Socket Connection Type Non Return True Union Ball Check Valve
-
Plastic Pvc Gray Knife Gate Valve for Irrigation W/SS Paddle
-
Good Quality DIN PVC Knife Gate Sluice Valve With Price
-
40-160mm DIN Plastic PVC Knife Water Slide Gate Valve
-
China Factory Customized DN20 Male Thread Brass Angle Type Stop Valve
-
3/4" Customized Quality Forged Lockable Thread Brass Ball Valve
-
High Quality China Price Full Flow DN15 Forged Brass Lockable Ball Valve
-
CW614n BSP Threaded Brass Gate Valve With Price
-
Hot Selling Pn16 Low Pressure Brass Ball Valve With Handle Lever
-
MS58 1/2"-4" Brass Gate Valve
-
Non Return Brass Vertical Spring Check Valve
-
Supply High Quantity 1/2" to 4" CW617n Non-return Brass Swing Check Valve
-
1/2" Inch - 4" Inch Brass Ball Valve Full Port for Water Oil and Gas With Blue Handle
Popular Searches
- control valve
- pipe fitting
- stainless steel
- ball valve
- cast iron
- brass fitting
- butterfly valve
- gate valve
- wafer check valve
- solenoid coil
- bibcock
- swing check valve
- solenoid
- valve body
- stop valve
- ball check valve
- butterfly check valve
- brass check valve
- disc check valve
- spring check valve
- non return valve
- lift check valve
- stainless steel check valve
- dual plate check valve
- vertical check valve
- ball valve
- wafer check valve
- stainless steel ball valve
- swing check valve
- globe valve
Recommended Products
- 4 Inch Ball Valve With Actuator DIN Standard PN16 Ductile Iron Cast Iron Full Bore 2 Piece Flanged
- Plastic Ball Valve PP, PVC, PVDF
- Automation Compatible Pneumatic Y-Type Three-Way Ball Valve With Actuator Options for Industrial Control Systems
- Powder Conveying Specialized Pneumatic Y-Type Ball Valve, Full Bore Design With No Dead Space for Clean Media
- Pneumatic Y-Type 135° Three-Way Ball Valve DN50-DN300 With Flange Connection, WCB/SS Body for High Flow Capacity
- Ball Valve
- High-Performance Lined Ball Valve for Aggressive Media Like Sulfuric Acid and Phosphoric Acid
- Manual, Pneumatic, or Electric Flanged Ball Valve With ISO5211 High Platform, Easy 90-Degree Operation for Fluid Control
- Self-Cleaning V-Type Flanged Ball Valve for Fibrous Media in Paper, Mining, and Environmental Applications
- Ceramic-Lined Flanged Ball Valve With Anti-Corrosion, Wear Resistance, for Harsh Environments in Pharma and Oil & Gas Sectors (100 Chars)
- High-Precision Silica Sol Casted Flanged Ball Valve DN15-300, 1.0-10.0MPa, Fire-Proof API607 Certified for Industrial Use (80 Chars)
- Stainless Steel Knife Gate Valve With Fluorine-Lined Material - Corrosion-Resistant for Chemical Processing and Harsh Media Applications
Find Similar Products By Category
- Industrial Equipment & Components > Valve > Ball Valve
- Please Enter your Email Address
- Please enter the content for your inquiry.
We will find the most reliable suppliers for you according to your description.
Send Now-
sales
Hi there! Welcome to my shop. Let me know if you have any questions.
Your message has exceeded the limit.
- Contact supplier for lowest price
- Customized Request
- Request Sample
- Request Free Catalogs
Your message has exceeded the limit.
-
Purchase Quantity
-
*Sourcing Details
Your inquiry content must be between 10 to 5000 characters.
-
*Email
Please enter Your valid email address.
-
Mobile
DIN ASTM JIS Standard Plastic PVC CPVC Worm Gear Operated Type Butterfly Valve
High Quality DIN ASTM JIS Standard Plastic Socket End Diaphragm Valve
Plastic PVC UPVC Threaded End True Union Ball Check Valve With EPDM Seal
High Quality UPVC PVC PVDF Plastic DIN Grey Color Swing Check Valve
Plastic DN100 PVC Plastic Manual Hand Lever Butterfly Valve
Plastic PVC True Double Union Diaphragm Valve for Industrial System


Factory Price Drinking Water PVC Single Union Bottom Valve Plastic Foot Valve
DIN ASTM JIS Standard Manual Lever Hand Plastic PVC Handled Wafer Type Butterfly Valve
Hot Sale Factory Price Customized Plastic Irrigation Air Release Valve
China Supply PVC,UPVC,CPVC,PVDF 2-way True Double Union Ball Valve With Manual Operated
FRPP PVDF CPVC UPVC PPH PVC Ball Check Valve, Non-Return Valve
DIN ASTM Standard PVC UPVC CPVC Pneumatic Control Plastic Socket Threaded True Union Cnnection Ball Valve
DIN ASTM Standard 1/2"-4" Plastic PVC Flanged True Union Ball Valve
Manual Plastic UPVC PVC Double Threaded True Union Water Valve Ball Valve
Manual Lever Hand CPVC, UPVC, PPH, PVDF Plastic Water Butterfly Valve
Plastic PVC UPVC Motorized Actuated Pneumatic Electric Control Double True Union Ball Valve
Plastic PVC CPVC UPVC Flange Globe Valve
PVC Socket Connection Type Non Return True Union Ball Check Valve
Plastic Pvc Gray Knife Gate Valve for Irrigation W/SS Paddle
Good Quality DIN PVC Knife Gate Sluice Valve With Price
40-160mm DIN Plastic PVC Knife Water Slide Gate Valve
China Factory Customized DN20 Male Thread Brass Angle Type Stop Valve
3/4" Customized Quality Forged Lockable Thread Brass Ball Valve
High Quality China Price Full Flow DN15 Forged Brass Lockable Ball Valve
CW614n BSP Threaded Brass Gate Valve With Price
Hot Selling Pn16 Low Pressure Brass Ball Valve With Handle Lever
MS58 1/2"-4" Brass Gate Valve
Non Return Brass Vertical Spring Check Valve
Supply High Quantity 1/2" to 4" CW617n Non-return Brass Swing Check Valve
1/2" Inch - 4" Inch Brass Ball Valve Full Port for Water Oil and Gas With Blue Handle