3 Way Hydraulic Ball Valve
Hydraulic high pressure 3 way steel ball valve Type
High pressure range up to 500 bar
Thread connection to Female BSPP DIN ISO 228, Female NPT ANSI B1.20.1, Female UNF ISO 11926
Tube connections to ORFS ISO 8434-3 and DIN 2353/ISO 8434-1
Flange connections to ISO 6162-1 and 6162-2, ISO 6164 and CETOP RP 63 H.
Manually operated valves for shutting off, regulating, throttling and fluid media in mobile and industrial hydraulics.
Series Part No. KHB3K
How does a 3-way ball valve work?
Series KHB3K operates by rotating the handle 45° 90°depending on the flow path, with L bore and T bore types. 3 way hydraulic ball valve is designed with no port to port overlap see ISO symbols during transition. See the table below to select the ball pattern code
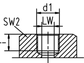
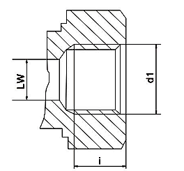
Dimensions of KHB3K Hydraulic Ball Valves with G, UNF, NPT thread port and DIN 2353 ISO 8434-1, ORFS ISO 8434-3 tube connections:
| Connections | Type | DN | PN | LW | RA | d1 | i | L | L1 | B | H | h1 | h2 | h3 | SW2 | S |
|
DIN ISO 228 Female Thread |
KHB3K-G1/8 | 4 | 315 | 6 | G1/8 | 10 | 69 | 37 | 28 | 44.5 | 13 | 34 | 8 | 9 | 35 | |
| KHB3K-G1/4 | 6 | 315 | 6 | G1/4 | 14 | 69 | 37 | 28 | 44.5 | 13 | 34 | 8 | 9 | 35 | ||
| KHB3K-G3/8 | 8 | 315 | 10 | G3/8 | 14 | 72 | 42 | 32 | 52.5 | 17 | 40 | 8 | 9 | 36 | ||
| KHB3K-G1/2 | 10 | 315 | 13 | G1/2 | 16 | 83 | 48 | 35 | 52.5 | 17 | 40 | 8 | 9 | 40 | ||
| KHB3K-G1/2 | 16 | 315 | 15 | 44563 | 16 | 83 | 47 | 38 | 63.5 | 19 | 43 | 11 | 9 | 42 | ||
| KHB3K-G3/4 | 20 | 315 | 20 | G3/4 | 18 | 95 | 60 | 48 | 75 | 24 | 54 | 12 | 12 | 49 | ||
| KHB3K-G1 | 25 | 315 | 25 | G1 | 20.5 | 113 | 65 | 55 | 82 | 28.5 | 61 | 12 | 12 | 56.5 | ||
| KHB3K-G1 1/4 | 25/32 | 315 | 25 | G11/4 | 22 | 120 | 65 | 60 | 82 | 28.5 | 61 | 12 | 14 | 60 | ||
| KHB3K-G1 1/4 | 32 | 315 | 30 | G11/4 | 22 | 110 | 84 | 75 | 104.5 | 37.5 | 84 | 14 | 17 | 55 | ||
| KHB3K-G1 1/2 | 40 | 315 | 38 | G11/2 | 24 | 130 | 91 | 85 | 115.5 | 42.5 | 95 | 14 | 17 | 65 | ||
| KHB3K-G2 | 50 | 315 | 48 | G2 | 26 | 140 | 100 | 105 | 133 | 52.5 | 112.5 | 14 | 17 | 70 | ||
|
ANSI B1.20.1 NPT Female Thread |
KHB3K-G1/BNPT | 4 | 315 | 6 | 1/8NPT | 10.5 | 69 | 37 | 28 | 44.5 | 13 | 34 | 8 | 9 | 35 | |
| KHB3K-G1/4NPT | 6 | 315 | 6 | 114NPT | 14 | 69 | 37 | 28 | 44.5 | 13 | 34 | 8 | 9 | 35 | ||
| KHB3K-G3BNPT | 10 | 315 | 10 | 3/8NPT | 14 | 72 | 42 | 32 | 52.5 | 17 | 40 | 8 | 9 | 36 | ||
| KHB3K-G1/2NPT | 13 | 315 | 13 | 1/2NPT | 17 | 83 | 48 | 35 | 52.5 | 17 | 40 | 8 | 9 | 40 | ||
| KHB3K-G3/4NPT | 20 | 315 | 20 | 3/4NPT | 19 | 95 | 60 | 48 | 75 | 24 | 54 | 12 | 12 | 49 | ||
| KHB3K-G1NPT | 25 | 315 | 25 | 1NPT | 22.5 | 113 | 65 | 55 | 82 | 28.5 | 61 | 12 | 12 | 56.5 | ||
| KHB3K-G1 1/4NPT | 25/32 | 315 | 25 | 1 1/4NPT | 22.5 | 120 | 65 | 60 | 82 | 28.5 | 61 | 12 | 12 | 60 | ||
| KHB3K-G1 1/4NPT | 32 | 315 | 30 | 1 1/4NPT | 25 | 120 | 84 | 75 | 104.5 | 37.5 | 84 | 14 | 14 | 60 | ||
| KHB3K-G1 1/2NPT | 40 | 315 | 38 | 1 1/2NPT | 25 | 130 | 91 | 85 | 115.5 | 42.5 | 95 | 14 | 17 | 70 | ||
| KHB3K-G2NPT | 50 | 315 | 48 | 2NPT | 30 | 140 | 100 | 105 | 133 | 52.5 | 112.5 | 14 | 17 | 75 | ||
|
ISO 11926-1 SAE UNF Female Thread |
KHB3K-SAE4 | 6 | 315 | 6 | SAE4 | 12 | 69 | 37 | 28 | 44.5 | 13 | 34 | 8 | 9 | 35 | |
| KHB3K-SAE6 | 10 | 315 | 10 | SAE6 | 13 | 72 | 42 | 32 | 52.5 | 17 | 40 | 8 | 9 | 36 | ||
| KHB3K-SAE8 | 13 | 315 | 13 | SAE8 | 15 | 83 | 48 | 37 | 52.5 | 17 | 40 | 8 | 9 | 40 | ||
| KHB3K-SAE12 | 20 | 315 | 20 | SAE12 | 20 | 95 | 60 | 48 | 75 | 24 | 54 | 12 | 12 | 49 | ||
| KHB3K-SAE16 | 25 | 315 | 25 | SAE16 | 20 | 113 | 65 | 55 | 82 | 28.5 | 61 | 12 | 12 | 56.5 | ||
| KHB3K-SAE20 | 25/32 | 315 | 25 | SAE20 | 20 | 120 | 65 | 60 | 82 | 28.5 | 61 | 12 | 12 | 60 | ||
| KHB3K-SAE20 | 32 | 315 | 30 | SAE20 | 20 | 120 | 84 | 75 | 104.5 | 37.5 | 84 | 14 | 14 | 60 | ||
| KHB3K-SAE24 | 40 | 315 | 38 | SAE24 | 20 | 130 | 91 | 85 | 115.5 | 42.5 | 95 | 14 | 17 | 70 | ||
| KHB3K-SAE32 | 50 | 315 | 48 | SAE32 | 20 | 140 | 100 | 105 | 133 | 52.5 | 112.5 | 14 | 17 | 75 | ||
|
DIN 2353 ISO 8434-1 Light Series |
KHB3K-06LR | 4 | 315 | 4 | 6 | M12×1.25 | 10 | 67 | 37 | 28 | 44.5 | 13 | 32 | 8 | 9 | 34.5 |
| KHB3K-08LR | 6 | 315 | 6 | 8 | M14×1.5 | 10 | 67 | 37 | 28 | 44.5 | 13 | 32 | 8 | 9 | 34.5 | |
| KHB3K-10LR | 8 | 315 | 8 | 10 | M16×1.5 | 11 | 74 | 42 | 32 | 52.5 | 17 | 40 | 8 | 9 | 37 | |
| KHB3K-12LR | 10 | 315 | 10 | 12 | M18×1.5 | 11 | 74 | 42 | 32 | 52.5 | 17 | 40 | 8 | 9 | 37 | |
| KHB3K-15LR | 13 | 315 | 13 | 15 | M22×1.5 | 12 | 82 | 48 | 37 | 52.5 | 17 | 43 | 8 | 9 | 40 | |
| KHB3K-15LR | 13 | 315 | 13 | 15 | M22×1.5 | 12 | 82 | 47 | 38 | 63.5 | 19 | 46 | 11 | 9 | 40 | |
| KHB3K-18LR | 13 | 315 | 13 | 18 | M26×1.5 | 12 | 82 | 48 | 37 | 52.5 | 17 | 43 | 8 | 9 | 42 | |
| KHB3K-18LR | 16 | 315 | 15 | 18 | M26×1.5 | 12 | 82 | 47 | 38 | 63.5 | 19 | 46 | 11 | 9 | 42 | |
| KHB3K-22LR | 20 | 315 | 19 | 22 | M30×2 | 14 | 101 | 60 | 48 | 75 | 24 | 54 | 12 | 12 | 52 | |
| KHB3K-28LR | 25 | 315 | 25 | 28 | M36×2 | 14 | 108 | 65 | 55 | 82 | 28.5 | 61 | 12 | 12 | 54 | |
| KHB3K-35LR | 25/32 | 315 | 25 | 35 | M45×2 | 16 | 112 | 65 | 60 | 82 | 28.5 | 64 | 12 | 14 | 56 | |
|
DIN 2353 ISO 8434-1 Heavy Series |
KHB3K-08SR | 4 | 315 | 5 | 8 | M16×1.5 | 12 | 73 | 37 | 28 | 44.5 | 13 | 34 | 8 | 9 | 37 |
| KHB3K-10SR | 6 | 315 | 6 | 10 | M18×1.5 | 12 | 73 | 37 | 28 | 44.5 | 13 | 34 | 8 | 9 | 37 | |
| KHB3K-12SR | 8 | 315 | 8 | 12 | M20×1.5 | 12 | 76 | 42 | 32 | 52.5 | 17 | 40 | 8 | 9 | 38 | |
| KHB3K-14SR | 10 | 315 | 10 | 15 | M22×1.5 | 14 | 80 | 42 | 32 | 52.5 | 17 | 40 | 8 | 9 | 40 | |
| KHB3K-16SR | 13 | 315 | 13 | 15 | M24×1.5 | 14 | 86 | 48 | 35 | 52.5 | 17 | 40 | 8 | 9 | 43.5 | |
| KHB3K-16SR | 13 | 315 | 13 | 18 | M24×1.5 | 14 | 86 | 47 | 38 | 63.5 | 19 | 46 | 11 | 9 | 43.5 | |
| KHB3K-20SR | 13 | 315 | 13 | 20 | M30×2 | 16 | 90 | 48 | 35 | 52.5 | 17 | 40 | 8 | 9 | 45.5 | |
| KHB3K-20SR | 16 | 315 | 15 | 22 | M30×2 | 16 | 90 | 47 | 38 | 63.5 | 19 | 46 | 11 | 12 | 45.5 | |
| KHB3K-25SR | 20 | 315 | 19 | 25 | M36×2 | 18 | 109 | 60 | 48 | 75 | 24 | 54 | 12 | 12 | 56 | |
| KHB3K-30SR | 25 | 315 | 25 | 30 | M42×2 | 20 | 120 | 65 | 55 | 82 | 28.5 | 61 | 12 | 12 | 60 | |
| KHB3K-38SR | 25/32 | 315 | 25 | 38 | M52×2 | 22 | 124 | 65 | 60 | 82 | 28.5 | 64 | 12 | 14 | 62 |
Send Inquiry to This Supplier
You May Also Like
-
Non-return Valves for Lubrication SystemUS$ 1.2 - 1.9MOQ: 100 Pieces
-
SAE J518 Split Flange Halves Code 61 and Code 62 ClampUS$ 1.2 - 1.9MOQ: 100 Pairs
-
3 Way Hydraulic Ball ValveNegotiableMOQ: 100 Units
-
Industrial Pneumatic V-Type Ball Valve With 304/316 Stainless Steel Body for Chemical IndustryNegotiableMOQ: 1 Set
-
FESTO Solenoid Valve VUVG-L14-P53C-T-G18-1P3 566501 3-position 5-way Mini Solenoid Valve 5/3 Solenoid ValveNegotiableMOQ: 1 Piece
-
Customized 3 Way Ball Valve Brass Stainless Steel Hydraulic Ball ValveNegotiableMOQ: 1
-
2 / 3 Way Cut-off Solenoid Directional Valve Hydraulic ValveNegotiableMOQ: 1
-
Carbon Steel WCB Internal Thread Ball Valve ANSI Cast Stainless Steel 2 Way 3 Piece Female Thread Ball ValveUS$ 89.23 - 157.86MOQ: 1 Set
-
Stainless Steel TableUS$ 50 - 250MOQ: 1 Set
-
Ball Valve,Valve,Stainless Steel Ball ValveNegotiableMOQ: 1 Piece






