FDA801-VYT LQFP64 audio amplifier ST original stock
You May Like
-
TMS320F2809PZA LQFP-100 microcontroller TI original stock
-
SI5395B-A13547-GM QFN-64 Clock Jitter Eliminator and Synchronizer SKYWORKS Original Stock
-
L6699DTR SO-16 AC-DC controller and voltage regulator ST original stock
-
5P49V6968A000NDGI clock generator/frequency synthesis IDT original stock
-
LTC1855IG # TRPBF SSOP-28 analog-to-digital conversion chip ADC ADI original stock
-
Si2151-A10-GMR video interface chip SILICON LABS original stock
Product Details
Brand Name | ST | Place of Origin | Albania | |
Model Number | FDA801-VYT | Type | Drive IC | |
Package | 1000 | D/C | 22+ |
Product Description
explain
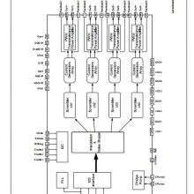
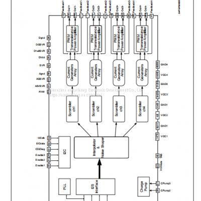
FDA801 is a new BCD technology four bridge D-stage amplifier specifically designed for automotive applications.
Due to the technology used, high-performance D/A converters can be integrated with powerful MOSFET outputs to achieve outstanding efficiency compared to standard AB classes.
The integrated D/A converter can achieve excellent performance (110 dB S/N ratio, 108 dB dynamic range). The feedback loop includes an output L-C low-pass filter, allowing for superior frequency response linearity and lower distortion independent of inductor and capacitor quality.
The FDA801 is fully configurable through the I2C bus interface and integrates a complete diagnostic array specifically designed for automotive applications. Due to the implementation of a solution to control electromagnetic interference emissions, this device will be used in conjunction with a tuner for a standard single DIN car radio box.
In addition, the FDA801 can use a power supply as low as 6V, thereby supporting the latest specifications of low-voltage ("start stop") car manufacturers.
2 and 1 Ω load driving capability
Contact Us
- Shenzhen nanbeihang Electronic Development Co., Ltd
- Contact namesiqi Chat Now
- Phone86-88377872-13714705290
- AddressHuali building, Shenzhen, Guangdong
Product Categories
Integrated circuit | power chip | IC | Connector |
New Products
-
INA180A1IDBVR current sensing amplifier TI original stock
-
STM8L152R8T6 LQFP-64 microcontroller ST original stock
-
ULN2803ADWR Darlington transistor TI original stock
-
KSZ9031RNXIA Ethernet chip MICROCHIP original stock
-
SC33771CTA1MAE QFP-64 Battery Management NXP Original Stock
-
LT1963AES8 # TRPBF linear regulator ADI original stock
-
ADIS16505-2BMLZ BGA-100 attitude sensor/gyroscope ADI original stock
-
AD9363BBCZ wireless transceiver chip ADI original stock
-
LM25575MHX/NOPB DC-DC power chip TI original stock
-
MAX9249GCM/V+T HTQFP-48 serializer/deserializer MAXIM original stock
-
Adrf6650acpz-rl7 converter ADI original stock
-
MAX20430ATIG/VY+T TQFN-28 Professional Power Management (PMIC) Maxim Original Stock
-
AD9912ABCPZ LFCSP-64 digital to analog conversion chip DAC ADI original stock
-
TPS70445PWPR TSSOP-24 Linear Voltage Stabilizer (LDO) TI Original Stock
-
UCC3895DWTR SOP-20-300mil AC-DC controller and regulator TI original stock
-
IPL60R199CP field-effect transistor (MOSFET) Infineon original stock
-
BD9B400MUV-E2 DC-DC power chip ROHM original stock
-
XC7Z030-1SBG485I FCBGA-485 microcontroller XILINX original stock
-
TPS71533QDCKRQ1 Linear Voltage Stabilizer (LDO) TI Original Stock
-
AD8512ARZ-REEL7 SOP-8 FET input amplifier ADI original stock
-
STM32F765VIT6 LQFP-100 microcontroller ST original stock
-
AD822ARZ-REEL7 SOIC-8 FET input amplifier ADI original stock
-
AD8021ARZ-REEL7 SOIC-8 RF Low Noise Amplifier ADI Original Stock
-
AD620ARZ-REEL SOIC-8 instrument amplifier ADI original stock
Popular Searches
- speaker box
- power amplifier
- professional speaker
- pro audio
- active speaker
- pa system
- pa speaker
- professional audio
- professional amplifier
- professional power amplifier
- audio power amplifier
- pa amplifier
- mixer amplifier
- high power amplifier
- digital amplifier
- audio equipment
- car amplifier
- amplifier system
- stereo amplifier
- audio amplifier enclosure
- car audio amplifier
- audio mixer
- professional audio amplifier
- public address amplifier
- pro audio amplifier
- dental chair
- dental unit
- rubber conveyor belt
- fiber optic
- patch cord
Recommended Products
- OMRON PROXIMITY SENSOR E2B-S08KN04-MC-B1
- YC1031-S QFN32 High Performance Low Power BLE 5.4 SoC
- YC1028-A QFN20 High Performance Low Power BR/BLE 5.2 SoC
- YC1026 QFN7x7_56L Bluetooth SOC 3.0 BR/EDR
- YC1011-T SOP16 High Performance Low Power BR/BLE 5.2 SoC
- YC1011-S SOP16 High Performance Low Power BLE 5.4 SoC
- BYKC6238 SOP24 3 modes mouse solution
- BYKC6252 QFN48 3 modes mouse solution
- BYKC6239 QFN32 3 modes mouse solution
- BYKC6239 LQFP48 QFN32 3 modes keyboard solution
- BYKC9520 LQFP48 QFN32 3 modes keyboard solution
- BYKC951 LQFP48 LQFP64 QFN32 3 modes gaming keyboard solution
Find Similar Products By Category
- Electrical & Electronics > Integrated Circuit > General-purpose Integrated Circuit
- Please Enter your Email Address
- Please enter the content for your inquiry.
We will find the most reliable suppliers for you according to your description.
Send Now-
siqi
Hi there! Welcome to my shop. Let me know if you have any questions.
Your message has exceeded the limit.

- Contact supplier for lowest price
- Customized Request
- Request Sample
- Request Free Catalogs
Your message has exceeded the limit.
-
Purchase Quantity
-
*Sourcing Details
Your inquiry content must be between 10 to 5000 characters.
-
*Email
Please enter Your valid email address.
-
Mobile