General Purpose -GV Series Renue Seam Tracking Sensor
GV series
It is a welding seam scanning sensor, which can obtain the profile information of the welding seam section by scanning the workpiece surface horizontally with the laser point, and guide the robot or welding machine to automatically complete the welding. Integrated with optical, mechanical, electrical, embedded software and image technology, the structure is exquisite and highly integrated. The camera has excellent anti-arc light, anti-splash, anti-interference characteristics, strong adaptability to work, especially to solve the secondary reflection problem of bright surface and deep groove workpiece, suitable for stainless steel, aluminum alloy, titanium alloy and other bright surface high-end welding applications.
This product has been fully upgraded from GV2 to GV3, which has higher point density, wider photographic range and stronger recognition ability under strong light.
| Size |
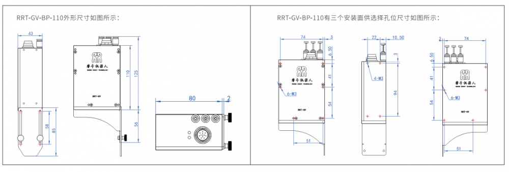
110x80x43mm |
| Weight | 680g |
| Port | 12pin Navigation in the interface |
| Types of communication | Ethernet |
| Speed of communication | 1000M |
| Mains input | 9-32V |
| Power consumption | 0.25@24V |
| Temperature range | 0-50°C |
| Humidity range | 10-95% No condensation |
| Laser spot shape | Linear |
| Optical maser wavelength | 650nm |
| Laser power level | IIIB |
| Laser adaptability |
Anti-reflection/anti-arc interference Anti-splash/anti-electromagnetic interference |
| Welds types | Lap/butt/foot connection, support customization |
| Applicable welding process | MAG/MIG/TIG/laser welding |
SV-BP series visual range parameters
| Model |
Best view | Near-end Z1 | Far-end Z1 | Depth resolution | Near-end Y1 | Far-end Y1 | Scanning Angle |
| GV-BP-155 | 155 | 80 |
230 | 0.02-0.04 | Max 78 | Max 187 | Max 40°C |
GV-BP series installation dimensions drawing
Send Inquiry to This Supplier
You May Also Like
-
Smart SV-LR Series Renue Seam Tracking SensorNegotiableMOQ: 1 Piece
-
Small Incremental Encoder JYZ24S 25S 28S 32SNegotiableMOQ: 1 Piece
-
Small Incremental Encoder JYZ36NegotiableMOQ: 1 Piece
-
Small Incremental Encoder JYZ36D、JYZ38NegotiableMOQ: 1 Piece
-
Small Incremental Encoder JYZ40 JYZ44NegotiableMOQ: 1 Piece
-
Standard Incremental Encoder JYZ50NegotiableMOQ: 1 Piece
-
Standard Incremental Encoder JYZ58NegotiableMOQ: 1 Piece
-
Standard Hollow Incremental Encoder JYZ58NegotiableMOQ: 1 Piece
-
Large Aperture Incremental Encoder JYZ66 JYZ80 JYZ90NegotiableMOQ: 1 Piece
-
Standard Large Aperture Incremental Encoder JYZ100 JYZ120 JYZ121NegotiableMOQ: 1 Piece
