Kegu Motor KG-6538Z3530 65mm Worm Gear Motor High Torque 12v dc Spur Worm Gear Motor for Mixer and Pasta Machine From Kegumotor


1.Rated Voltage:DC 3V -12V 2. Speed No load: 17~3000RPM
3.Diameter 65mm,length 46+30.8mm 4.Weight: 85g Approx 5.Application:Robot, Home Appliance, Door Lock,medical equipment, automobile
systems, communication equipment, digital cameras and domestic appliances. etc 6.Customized,Adjust the performance at
free(voltage,speed,torque,ECT.)
Kegu Motor Provide intelligent lock solution
38mm robot 12v dc gear motor with gearbox and gear reduction
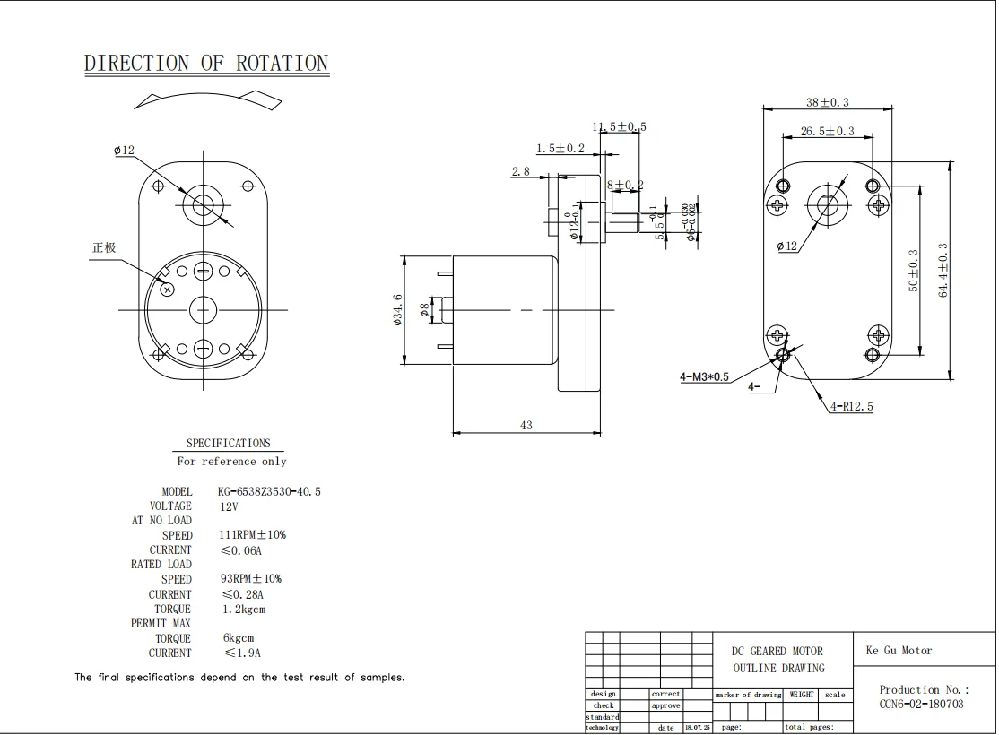
65*38mm worm gearbox plus 370 per magnet DC motor&24 mm brushless motor
Small size dc gear motor with low speed and big torque
65*38mm gear motor provide 1.0 Nm torque and more reliable
Suitable to small diameter, low noise and big torque application
DC Gear motors can match encoder,11ppr











complain from customer. Engineer team analyze the reasons according to customer complain and evaluate manufacturing process.After confirm the motor issue,customer can return defect motor, we will ship out all motors after repair motors.





A: For all of our motors, they are customized based on different requirements like lifetime, noise, voltage, and shaft etc. The price also varies according to annual quantity. So it's really difficult for us to provide a price list. If you can share your
detailed requirements and annual quantity, we'll see what offer we can provide.
A: For orders, the standard lead time is 25-40 days and this time can be shorter or longer based on different model, period and quantity.
A: Yes. Please kindly share the detailed requirements like performance, size, annual quantity, target price etc. Then we'll make our evaluation to see if we can arrange or not.
Q:5. Can I get some samples?
A: It depends. If only a few samples for personal use or replacement, I am afraid it'll be difficult for us to provide because all of our motors are custom made and no stock available if there is no further needs. If just sample testing before the official order and our MOQ, price and other terms are acceptable, we'd love to provide samples.
Send Inquiry to This Supplier
You May Also Like
-
N20 High Torque 3D Printer Pen Motor Mini dc Brushed Gear Motor for Electric Lock and 3D Pen From KegumotorUS$ 1.7 - 19.5MOQ: 1 Piece
-
DC 12V 200RPM Turbo Worm Geared Motor, Permanent Magnet Reduction Motor With Self-Locking,for Paper Shredders/Copying MachinesUS$ 2.7 - 9.5MOQ: 1 Piece
-
32mm Worm Gear Motor 6v 12V 12 Volt 24v Reduction Gearbox Motor for Vending Machines From Kegu MotorUS$ 3.7 - 19.5MOQ: 1 Piece
-
Best Selling 6v 12v 24v 46mm dc Worm Electric Valve Bldc Gear Motor With Encoder for Robot From KegumotorUS$ 13.7 - 19.5MOQ: 1 Piece
-
Kegu Motor KG-4058Z555 Customized Dc12v 24v High Precision Double Shaft Metal Right Angle Gearbox BLDC Brushless Worm Gear Motor From KegumotorUS$ 13.7 - 19.5MOQ: 1 Piece
-
Kegu Motor KG-4058Z555 DC12V 24V High Torque Low Speed 40mm Worm Gear Motor for Curtain Vending Advertisement MachineUS$ 13.7 - 19.5MOQ: 1 Piece
-
Hot Sale 6538GF-3530 Low Current Mini Pocket 65mm dc Worm Gear Motor Bike With Worm Gearbox 6.0kg.cm 9rpm Gear Motor From Kegu MotorUS$ 13.7 - 19.5MOQ: 1 Piece
-
39mm Bldc Brushless Bl3920 12v Bldc Outrunner Motor for Massage Gun 3600rpm Bl3920oUS$ 6.2 - 26.5MOQ: 1 Piece
-
2.5V 12mm N30 dc Gear Motor, 12mm Geared Motor for Intelligent LockUS$ 2.7 - 9.5MOQ: 1 Piece
-
Hot Sale 4mm High Speed 30000rpm 2v 3v 4v 5v dc Micro Coreless Vibrator Motor Used for Mobile Phone 0408US$ 0.36 - 5.5MOQ: 1 Piece