JAUCH CRYSTAL,JTX310 Quartzcrystal,Jauch Quarrtz GmbH tz GmbH
PCB design guidance
(1) Ideally, the mechanical buzzer should be installed on a PCB board independent of the tuning fork crystal device If you are installing on the same PCB board, it is best to use margin or cut the PCB. When applied to the PCB board itself or inside the PCB body, the degree of mechanical vibration may vary Suggest following the internal board characteristics
(2) Please refer to the corresponding recommended packaging when designing
(3) When using solder flux, follow JIS standards (JISC60068-2-20/IEC60068-2-20)
(4) Please use lead-free solder according to JIS standards (JISZ3282, Pb content 1000ppm, 0.1wt% or less)
Storage matters
(1) Long term storage of imported clock crystal oscillator products in higher or lower temperature or high humidity environments can affect frequency stability or weldability Please store these piezoelectric quartz crystal products in a normal temperature and humidity environment, and install them as much as possible after opening to avoid long-term storage Normal temperature and humidity: Temperature:+15 ° C to+35 ° C, humidity: 25% RH to 85% RH (please refer to the section "Standard conditions for testing points JISC60068-1/IEC60068-1")
(2) Please handle the inner and outer boxes and tapes carefully External pressure can cause damage to the tape
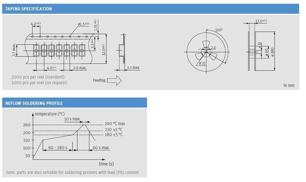
soldering resistance
Heating packaging materials above+150 ° C can damage product characteristics or damage resonators If you need to solder crystal products above+150 ° C, it is recommended to use SMD crystals Under the following reflux conditions, using higher temperatures on crystal products or even imported crystal oscillators can damage product characteristics Suggest using the following reflux conditions for the configuration Before installing these products, the welding temperature and time should be checked Meanwhile, please double check if the installation conditions have been changed If crystal products that require welding are to be welded under the following configuration conditions, please contact us for information on heat resistance
Send Inquiry to This Supplier
You May Also Like
-
12.5/70-16 Bob Cat 904h Solid Skid Steer Loader Tires 33x12-20 for Scrap and Waste YardUS$ 20 - 400MOQ: 4 Pieces
-
YB1 of YB1-2.5,YB1-4,YB1-6.3,YB1-10,YB1-12.5,YB1-16,YB1-20,YB1-25,YB1-31.5,YB1-50,YB1-63,YB1-80,YB1-100 Hydraulic Vane PumpUS$ 40 - 100MOQ: 1 Unit
-
MSD3303GX-LF-T1NegotiableMOQ: 1 Piece
-
OTR Tires Military Truck Tires 12.5-20 TyresUS$ 40 - 900MOQ: 100 Pieces
-
Audi Q 2 Cars Surround the 17-20 q 2 Front and Rear Spoiler q 2 Bumper Chin MountUS$ 60 - 80MOQ: 5 Sets
-
Military Tyre 12.5-20US$ 100 - 1,500MOQ: 1 Piece
-
12.5-20 Solid TyresUS$ 60 - 300MOQ: 100 Sets
-
36*12.5-20US$ 20 - 5,000MOQ: 10 Sets
-
Military Tire 12.5-20US$ 400 - 650MOQ: 100 Sets
-
LT-LF-20NegotiableMOQ: 1 Metric Ton





