Home > Products > Roll Forming Machine > Construction Material Scaffold Board Roll Forming Machine Walk Board Roll Former Manufacture Line
Construction Material Scaffold Board Roll Forming Machine Walk Board Roll Former Manufacture Line
- Shanghai
- T/T L/C
You May Like
-
Square and Rectangular Type Rain DownPipe Making Machine Roll Forming Line
-
Square and Rectangular Rain DownPipe Roll Former Manufacture Line
-
Aluminum Color Steel Roof Rain Gutter Roll Former Machine
-
Color Steel Aluminum Roof Rain Gutter Roll Former Equipment
-
Aluminum GI PPGI Color Steel Downspout and Gutter Profile Roll Forming Line
-
PPGI Aluminum Aluminum-Galvanized Construction Material Roofing Sheet Standing Seam Profile Machine
Product Details
| Brand Name | TGMCO | Place of Origin | China | |
| Warranty | 1 year warranty from date of shipment | Condition | New |
Product Description
Welcome to Taicang Global Machinery Co., Ltd
/
At Global Machinery, we provide Tube Mill, Roll Forming Machine, Slitting & Cut to length Line and corresponding components, and meet your customized requirements. Contact us right now!
Main Specification
1. Machine size: 26m×3m×5m(length×width×height)
2. Feeding direction: right to left
3. Power: 380V, 50Hz, 3P
4. Air source: flux 0.5m3/min; pressure: 0.7MPa
5. Hydraulic oil: 46#
6. Gear oil: 18# hypoid gear oil
7. Coil width: max 735mm
8. Coil thickness: 1.5 - 3.0 mm
9. Coil material:S235JR with yield strength 235Mpa
10. The whole roll forming machine line speed: 5-10 m/min
11. The platform length: 3000 mm
12. Total machine power:about 40KW
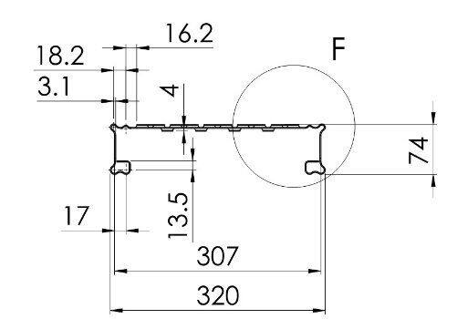
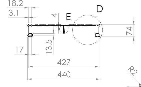
This machine can produce 1.5-3.0 mm platform, the specific drawing as below:
Flow Chart
Decoiler → Straightening→ Servo feeding → Punching→ Roll forming→ Cut off →Exit rack
Main components technical parameters
1. Decoiler
Coil width:max 735 mm;Coil thickness: 1.5 - 2.5mm;
Coil ID:φ508mm, expansion range: ф480 - 520 mm
With extra 4pcs of 50mm clamp,the expansion range can reach ф580-620 mm
Max coil OD: φ1800mm; Coil weight≤8T
2. Straightening Machine
a. working roll:5 rolls type
b. structure:the straightening roll mechanical properties like rigidity and surface roughness improve a lot after chrome coated and hardening and tempering, which is composed of pinching roll and straightening roll, the pinching roll can be adjusted separately, integral up straightening roll with front-back 2 adjusting points to form certain incline angle, improve the straightening quality.
In the straightening machine feeding section, there are a pair of horizontal guiding roll and 2 pairs vertical guiding roll, vertical guiding roll can be centering and synchronous moved, handwheel adjustment with gauge
In the front and back of straightening machine has lead & guide unit, there is photo-electric signal between straightening machine and feeder, the feedback signal enter control system, the control system send order to converter motor to change speed to control the accumulating volume in accumulating section, thus realize continuous straightening
3. Servo Feeding Unit
a. Function: servo feeding
b. Drive: 3kw
c. Feeding distance:set as per production demand
4. Punching Unit
Structure: Yangli Group JF21-160 puncher to punch
Puncher:welded steel plate bed, beautiful and high rigidity
Stamping die: Combined pneumatic core pulling
5. Roll Former
Forming station:29 rows
Finished production:scaffold platform
Forming stand: cast iron stand gear box type
Max feeding coil width:900mm
Max coil thickness:1.5-3.0 mm
Roll shaft diameter:φ80 mm
Roll shaft material:Gcr15, quenching, HRC 58-62°
Main drive motor:30kw converter motor
6. Cut Off Unit
a. Type: Hydraulic cut off (with waste material cut off)
b. Structure: locates behind roll former, the cutting length can be set freely.
Blade material: Cr12MoV, no burr with high working life, quick change, very easy and convenient to change blade distance
c. Blade quantity:1 set
7. Exit Rack
Structure: roll type, powerless
E. Electric control system
1. the whole use PLC control, LCD touch screen and HMI, set the program which can run automatically, the operator supervise the control process, realize the operator control the production line and modify the control parameters, and real time monitor the equipment running status, parameters and false alarm, the profile length setting, adjustment etc
2. operation mode has manual and automatic type and freely switch, under manual status, can run a single machine which is convenient for machine maintenance, under automatic status, it conduct the whole line running, start by sequence, the whole line has emergency stop button for emergent matter to secure the machine and personnel safety
3. near the machine has manual operation panel for operator
4 the monitoring function: real time monitoring of production line, monitor each working unit status
Certificate
Main Customers
Main Customers
FAQ
1) Q: Will you deliver the right goods as ordered? How can I trust you?
A: Yes, we will. We are Gold supplier of Made-in-China with SGS assessment (Audit report can be provided). We have cooperated with many customers all over the world with high market reputation, no worries.
2) Q: How to choose the Tube Mill Line?
A: You have to inform us following details:
- The pipe material
- Round pipe range
- Square pipe range
- Rectangle pipe range
- Wall thickness range
- The pipe usage
3) Q: How to choose the Roll Forming Machine?
A: You have to inform us following details:
- Coil material
- Coil thickness
- Coil weight
- Cutting type
- Profiles drawings
- Other special attention
4) Q: How to choose the Slitting Line & Cut to Length line?
A: You have to inform us following details:
- Coil material
- Coil thickness
- Coil width
- Coil weight
- Finished sizes
- Other special attention
55) Q: Where is the nearest airport to your company?
A: Shanghai Putong or Hongqiao Airport.
6) Q: How about your service?
A: Before sales:
- Technical Support: TGMCO will provide detailed technical information such as technical & commercial offer, machine photos, running video, layout, operation manual, and show you working machines in our factory.
- Apply Visa: TGMCO will provide officially invitation letter to apply Visa in china embassy as authority procedures and requirements.
After sales: TGMCO provides comprehensive After Sales Support and Service to meet our customer need.
- Drawings: Provide the foundation drawing, electric scheme and wiring diagram, hydraulic drawing, pneumatic & electric pipeline drawing and other drawings requested by customer.
- Installation and commissioning: TGMCO will send our technicians to customer's workshop for supervision of installation and commission
Training of Customers' technician/workers during commission
- Breakdown Support: We offer 1 year warranty service for main crucial components except consumables
Inform immediate technical assistance and advice to customer by phone or e-mail.
Skilled and experienced engineers are capable of dealing with any type of breakdowns.
Technical service work performed in Customer's site if required.
Urgently supply mechanical or electronic components.
Fast supply of spare parts and wearing parts to cover foreseeable requirements
Packing & Delivery
Not only the Good Machine, but also the Most Attentive Service
Integrity Solution & Turnkey Project
Creat the Value of Steel
Contact Us
- Taicang Global Machinery Co., Ltd
- Contact nameTom Yang Chat Now
- Phone86-512-53705537
- AddressTaicang, Suzhou, Jiangsu
Product Categories
| Tube Machine | Slitting Machine | Cut to length machine | Roll Forming Machine |
| Cold rolling mill | Pickling Line | Spare Parts & Consumables | Auxiliary Equipment |
New Products
-
Aluminum-Galvanized Construction Material Roofing Sheet Standing Seam Profile Manufacture Line
-
Galvanized Perforated Steel Cable Tray Cable Ladder Roll Forming Machine WIth 1 Year Aftersales Service
-
Stainless Steel Galvanized Color Steel Ceiling Panel Roll Former
-
Solar Mounting Bracket Cold Roll Forming Machine
-
Rectangular Galvanized Color Steel Rain Downspout Pipe Making Machine Roll Forming Machine With Bending Machine
-
Construction Material Standing Seam Roofing Panel Bemo Sheet Profile Making Machine
-
Construction Material Standing Seam Roll Fotming Making Equipments
-
Color Steel PPGI Aluminum Galvanized Roof Sheet Roll Former Wall Sheet Roll Former
-
PPGI Aluminum Galvanized Roof Sheet Roll Former Wall Sheet Roll Forming Machine
-
PPGI Aluminum Galvanized Wall Sheet Roll Former Manufacture Equipment
-
Building Material Metal Standing Seam Bemo Sheet Roof Sheet Profile Machine With PLC Control System
-
Building Material Standing Seam Bemo Sheet Roof Sheet Profile Machine
-
Vehicle Mounted Large Span K Span Roll Forming Machine
-
Large Span K Span Roll Former Manufacture Equipments With Vehicle Mounted
-
Square and Rectangular Galvanized Color Steel Rain Downspout Pipe Making Machine With Bending Machine
-
Construction Material Scaffold Platform Walk Deck Roll Former Equipment
-
Galvanized Color Steel Rain Downspout Pipe Rain Pipe Roll Forming Machine
-
PPGI Color Steel Automatic Downspout and Gutter Profile Roll Former
-
GI PPGI Color Steel Roof Rain Gutter Profile Roll Former
-
Solar Energy Panel Framing Bracket Rack Roll Former Line
-
Stainless Steel Galvanized Color Steel Ceiling Board Roll Forming Line
-
HF Pipe Mill Line Precision Steel Pipe Forming Machine
-
High Frequency Welded Profile Pipe Line
-
Automatic HF Carbon Steel Pipe Welding Machine
Popular Searches
- lifting equipment
- cleaning equipment
- sandwich panel
- scaffolding system
- work platform
- gondola
- aerial platform
- suspended platform
- scissor lift platform
- working platform
- aluminum platform
- scaffolding ladder
- scaffolding frame
- portable scaffolding
- stage lighting scaffolding
- lift platform
- scaffold plank
- aluminum work platform
- mobile lift platform
- construction platform
- scaffold board
- suspended rope platform
- scaffolding deck
- galvanized steel catwalk platform
- steel prop
- formwork
- scaffolding system
- frame scaffolding
- steel plank
- frame scaffold
Recommended Products
- Round Galvanized Color Steel Rain Downspout Pipe Making Machine Roll Forming Machine With Bending Machine
- Solar Frame Solar Panel Mounting Structure Cold RollFormer Line
- Galvanized Steel Floor Deck Floor Decking Roll Forming Machine IBR Roofing Sheet Forming Machine
- Galvanized Stainless Steel Drywall Light Steel Keel Manufacturing Equipment
- Roof Tile Wall Panel Color Steel Sheet Double Layer Roll Forming Machine
- Stainless Steel Galvanized Color Steel Ceiling Board Roll Forming Line
- Solar Energy Panel Framing Bracket Rack Roll Former Line
- GI PPGI Color Steel Roof Rain Gutter Profile Roll Former
- PPGI Color Steel Automatic Downspout and Gutter Profile Roll Former
- Galvanized Color Steel Rain Downspout Pipe Rain Pipe Roll Forming Machine
- Construction Material Scaffold Platform Walk Deck Roll Former Equipment
- Square and Rectangular Galvanized Color Steel Rain Downspout Pipe Making Machine With Bending Machine
Find Similar Products By Category
- Manufacturing & Processing Machinery > Building Material Making Machinery > Steel Frame Machine
- Please Enter your Email Address
- Please enter the content for your inquiry.
We will find the most reliable suppliers for you according to your description.
Send Now-
Tom Yang
Hi there! Welcome to my shop. Let me know if you have any questions.
Your message has exceeded the limit.
- Contact supplier for lowest price
- Customized Request
- Request Sample
- Request Free Catalogs
Your message has exceeded the limit.
-
Purchase Quantity
-
*Sourcing Details
Your inquiry content must be between 10 to 5000 characters.
-
*Email
Please enter Your valid email address.
-
Mobile





Square and Rectangular Type Rain DownPipe Making Machine Roll Forming Line
Aluminum Color Steel Roof Rain Gutter Roll Former Machine
Aluminum GI PPGI Color Steel Downspout and Gutter Profile Roll Forming Line
PPGI Aluminum Aluminum-Galvanized Construction Material Roofing Sheet Standing Seam Profile Machine









Aluminum-Galvanized Construction Material Roofing Sheet Standing Seam Profile Manufacture Line
Galvanized Perforated Steel Cable Tray Cable Ladder Roll Forming Machine WIth 1 Year Aftersales Service
Stainless Steel Galvanized Color Steel Ceiling Panel Roll Former
Solar Mounting Bracket Cold Roll Forming Machine
Rectangular Galvanized Color Steel Rain Downspout Pipe Making Machine Roll Forming Machine With Bending Machine
Construction Material Standing Seam Roll Fotming Making Equipments
Color Steel PPGI Aluminum Galvanized Roof Sheet Roll Former Wall Sheet Roll Former
Vehicle Mounted Large Span K Span Roll Forming Machine
Large Span K Span Roll Former Manufacture Equipments With Vehicle Mounted
Construction Material Scaffold Platform Walk Deck Roll Former Equipment
Galvanized Color Steel Rain Downspout Pipe Rain Pipe Roll Forming Machine
Stainless Steel Galvanized Color Steel Ceiling Board Roll Forming Line
HF Pipe Mill Line Precision Steel Pipe Forming Machine
High Frequency Welded Profile Pipe Line
Automatic HF Carbon Steel Pipe Welding Machine