MIC5841YN Power Electronic Switch MICROCHIP Original off the Shelf
describe
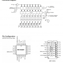
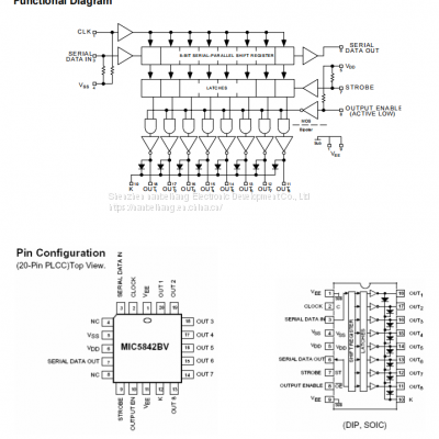
Using BiCMOS technology, MIC5841/5842 integrated circuit is manufactured, which can be used for various peripheral power driver applications. Each device has an 8-bit CMOS shift register, CMOS control circuit, 8 CMOS data latches, and 8 bipolar current sink Darlington output drivers.
The two devices differ only in maximum rated voltage. MIC5842 provides excellent performance, and the minimum output breakdown voltage rating is 80V (50V maintenance). The driver can operate a split power supply, and the negative power supply drops to - 20V.
500 mA output with integral transient suppression diodes for lamps, relays, solenoids, and other inductive loads.
These devices have improved speed characteristics. When using 5V logic power supplies, their operating speed usually exceeds 5MHz. A significantly higher speed can be achieved when using a 12V power supply. CMOS inputs are compatible with standard CMOS, PMOS, and NMOS logic levels. TTL or DTL circuits may require the use of appropriate pull-up resistors. By using serial data output, you can cascade drivers for interface applications that require additional driver lines.
MIC5840 series has DIP, PLCC and SOIC software packages. Due to the limitation of package power consumption, it may be necessary to reduce the duty cycle for all drives to operate simultaneously at the maximum rated current. A copper alloy lead frame provides maximum package power consumption.
features
• 3.3 MHz minimum data input rate
• CMOS, PMOS, NMOS, TTL compatible
• Internal pull-up/pull-down resistor
• Low power CMOS logic and latch
• High voltage current receiver output
• Output transient protection diode
• Single or sub power operation
Send Inquiry to This Supplier
You May Also Like
-
TPS70933QDBVRQ1 Linear Voltage Regulator (LDO) TI Original StockNegotiableMOQ: 1 Piece
-
TPS54060ADRCT Switch Regulator TI Original From StockNegotiableMOQ: 1 Piece
-
TPS62172DSGR Switch Regulator TI Original From StockNegotiableMOQ: 1 Piece
-
BMP388 Pressure Sensor Bosch Original From StockNegotiableMOQ: 1 Piece
-
TPS92520QDADRQ1 LED Drive TI Original StockNegotiableMOQ: 1 Piece
-
STM32L412K8T6 ARM Microcontroller - MCU ST Original StockNegotiableMOQ: 1 Piece
-
ISL85403FRZ-T Switch Regulator RENESAS Original From StockNegotiableMOQ: 1 Piece
-
S9S12ZVL32F0CLF 16 Bit Microcontroller - MCU NXP Original StockNegotiableMOQ: 1 Piece
-
TPS76933QDBVRG4Q1 Low Dropout Voltage Regulator TI Original From StockNegotiableMOQ: 1 Piece
-
TPS62170QDSGTQ1 Switch Regulator TI Original From StockNegotiableMOQ: 1 Piece
