Valve Matching Electric Actuator 802 Series Valve Electric Device 802.1000-0.2 802.1200-0.2




A: Motor:The motor with special high torque low inertia can be dismantled independently.
B: Separately modular design of the terminal box
By replacing the terminal box with a control package which include reversing starters,protection units and terminal strips, 802series successfully combined the mechanical and electronic elements. Other control elements to automatically position a valve in proportion to an analog signal could be supplied if necessary.
The package cover is equipped with a local/remote selector and an open/stop/ close operator. The indicating light for indicating of power, full open, full close could be supplied if necessary.
C: Motor operation
The motor gear set drives the worm shaft and worm gear, which in turn rotates the eccentric shaft. Rotation of the eccentric shaft causes the planetary gear to drive the clutch sleeve. So the drive sleeve keyed to the clutch sleeve rotates to drive the valve stem. For the reduction mechanism with a ratio of 40 is self-locking, the valve will be locked once the motor is interrupted.
Manual operation
When operate the handwheel which is keyed to the worm shaft, the rotation of the manual operated worm gear causes the planetary gear to drive the clutch sleeve, which rotates the drive sleeve by means of key. So the shift from manual to motor operation is fully automatic and no hand/ auto lever is provided.
D: Indication window
Large sized indication window provides local monitoring of valve position.
E: Mechanical stop
Two adjustable mechanical stop bolts are provided in open and close direction. And the use of the special gasket ensures a reliable seal.
F: Limit switch
A cam shaft which remains in step with the drive sleeve and two switches in open/close direction are used for travel limit. A dial fixed on the cam shaft is for position indication and a potentiometer is supplied for remote indication.
Torque switch
The disk spring is mounted on the worm shaft. The axial move of the worm shaft is proportionable to the torque generated by the actuator. Two torque switches in open/close direction sense the movement of the worm shaft and interrupt the power to the motor.
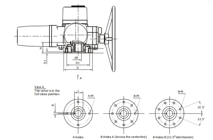
Connection parameters
Damper dimension drawing
Shipment Term:
1. Orders processed timely after the payment verification .
2. Terms of Deliver: FOB / CFR / CIF / EXW etc.
3. Due to stock status and time differences , we will choose to ship your item from our first available warehouse for fast delivery .
Payment Term:
1. Accept T/T, D/A, D/P, L/C, West Union with 30% Deposit.
2. Advance payment should be made within 3 days of order .
Our company provides you with the following services free of charge:
1. All-round electric actuator and valve technology selection service
2. High-quality post-product maintenance and technical analysis services
3. Accept other related cooperation.
Send Inquiry to This Supplier
You May Also Like
-
90 Degree Actuator Control Valve Iqt04 Iqt05 Iqt06US$ 600 - 1300MOQ: 1 Piece
-
Intelligent 4-20mA Explosion-proof Electric Actuator BQT06-0.9 BQT09-0.9US$ 600 - 1300MOQ: 1 Piece
-
Intelligent Quarter-turn Valve Electric Actuator Iqt09 Iqt10 Iqt15US$ 600 - 1300MOQ: 1 Piece
-
Motorized With Electric Rotary Valve Actuators Bqt15-0.7 Bqt19-0.7 Bqt28-0.6 Bqt38-0.6US$ 600 - 1300MOQ: 1 Piece
-
1/4turn or Part Turn 90 Degree Electric Actuator Bqt50-0.6 Bqt60-0.5 Bqt80-0.5US$ 600 - 1300MOQ: 1 Piece
-
Adjustable Water Flow Regular Iqt1 Iqt10-1US$ 380 - 1200MOQ: 1 Piece
-
90 Degree Gear Drive Iqt100 Iqt100-0.5 Iqt100-1US$ 350 - 1000MOQ: 1 Piece
-
Motor Operated Valve Actuator Iqt15 Iqt15-1 Iqt15-2US$ 340 - 1000MOQ: 1 Piece
-
Rotary Actuator Electric Iqt2 Qt20 Iqt20-1 Iqt20-2US$ 340 - 900MOQ: 1 Piece
-
Remote Valve Actuator Iqt30 Iqt30-0.5 Iqt30-1 Iqt30-2US$ 340 - 950MOQ: 1 Piece








