803892 Spherical Roller Bearings Split Type for Pilger Mill Crankshaft
803892 split bearing
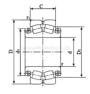
size: 460*720*270mm
structrue: spherical roller bearing split type
803892 spherical roller bearings split type features:
1. simplify the replacement and mounting
2. reduce downtime of machinery and plant
3. reduce assembly and maintenance costs
Split spherical roller bearings are suited for applications with low speed, heavy load, big impact force or poor sealing performance. The biggest advantage is easy to install and disassemble, which can save time and cost. Split bearing mainly applied on converter, large transport equipment, lifts, Material handling machine, paper manufacturing machine, etc.
Applications
Typical areas of application include conveying equipment, materials processing plant, ventilation plant, rolling mills, ships and paper machinery.
Other bearing models related to 803892 bearing:
| Model | Dimensions (mm) | Basic load ratings (kN) | Weight(kg) | ||||||
| d | D | B | C | rsmin | r1smin | Cr | Cor | ||
| 803824 | 120 | 200 | 142 | 80 | 2 | 2 | 555 | 900 | 17 |
| 803928 | 140 | 230 | 102 | 53 | 2 | 2 | 370 | 600 | 14 |
| 803828 | 140 | 290 | 110 | 80 | 3 | 3 | 838 | 1145 | 31.2 |
| 803830X3 | 148 | 225 | 142 | 75 | 2.1 | 2.1 | 535 | 950 | 14 |
| 803836 | 180 | 300 | 125 | 74 | 2.1 | 2.1 | 715 | 1200 | 30 |
| 803856 | 280 | 500 | 260 | 176 | 5 | 5 | 2710 | 4650 | 175 |
| 803860 | 300 | 500 | 240 | 160 | 5 | 5 | 2527 | 4465 | 165 |
| 803864K | 320 | 540 | 250 | 176 | 6 | 6 | 2395 | 4586 | 196.5 |
| 803868 | 340 | 580 | 280 | 190 | 5 | 5 | 2930 | 5574 | 235 |
| 803872 | 360 | 540 | 220 | 134 | 5 | 5 | 2250 | 4500 | 155 |
| 803880 | 400 | 600 | 240 | 148 | 5 | 5 | 2880 | 5850 | 205 |
| 803884 | 420 | 620 | 238 | 150 | 6 | 6 | 2880 | 5850 | 215 |
| 803892 | customized type, please contact us for more details. | ||||||||
| 803894 | 470 | 720 | 270 | 167 | 6 | 6 | 3570 | 7500 | 375 |
| 8039/560 | 560 | 800 | 230 | 150 | 5 | 5 | 3340 | 8150 | 320 |
| 8038/560 | 560 | 870 | 330 | 200 | 6 | 6 | 5060 | 11000 | 580 |
| 8039/600 | 600 | 920 | 310 | 212 | 9.5 | 7.5 | 5640 | 12000 | 690 |
| 8038/600 | 600 | 980 | 515 | 375 | 7.5 | 7.5 | 10400 | 21600 | 1350 |
| 8038/630 | 630 | 920 | 310 | 212 | 16 | 7.5 | 5245 | 11390 | 628 |
| 8038/670 | 670 | 980 | 350 | 230 | 7.5 | 7.5 | 6440 | 14000 | 800 |
| 8039/710 | 710 | 950 | 375 | 243 | 6 | 6 | 5750 | 15300 | 700 |
| 8038/710 | 710 | 1030 | 360 | 236 | 7.5 | 7.5 | 7020 | 15600 | 880 |
| 8039/750 | 750 | 1000 | 360 | 250 | 6 | 6 | 6300 | 17000 | 710 |
| 8038/750 | 750 | 1090 | 340 | 250 | 8 | 8 | 6600 | 15330 | 932 |
| 8038/750X2 | 750 | 1090 | 475 | 335 | 7.5 | 7.5 | 9950 | 24000 | 1300 |
| 8039/800 | 800 | 1060 | 370 | 258 | 6 | 6 | 6900 | 18600 | 8100 |
| 8038/800 | 800 | 1150 | 450 | 345 | 16 | 8 | 10000 | 24800 | 1500 |
| 8037/850 | 850 | 1120 | 380 | 272 | 6 | 6 | 7360 | 2800 | 830 |
| 8039/850 | 850 | 1180 | 331 | 206 | 6 | 6 | 6440 | 17000 | 880 |
| 8038/850 | 850 | 1280 | 430 | 280 | 7.5 | 7.5 | 10100 | 23200 | 1550 |
| 8038/850X1 | 850 | 1280 | 540 | 375 | 7.5 | 7.5 | 12400 | 31000 | 2350 |
| 8039/900 | 900 | 1180 | 400 | 280 | 6 | 6 | 8170 | 22800 | 1100 |
| 8038/900 | 900 | 1270 | 470 | 365 | 15 | 15 | 10000 | 28000 | 1872 |
| 8038/950 | 950 | 1250 | 420 | 300 | 7.5 | 7.536 | 8970 | 25500 | 1300 |
| 8038/1020 | 1020 | 1280 | 352 | 218 | 6 | 6 | 5980 | 19600 | 950 |
| 8038/1060 | 1060 | 1460 | 500 | 335 | 7.5 | 7.5 | 11500 | 33500 | 2470 |
| 8039/1120 | 1120 | 1460 | 500 | 335 | 7.5 | 7.5 | 11500 | 33500 | 2070 |
| 8038/1120 | 1120 | 1540 | 525 | 355 | 7.5 | 7.5 | 14400 | 44000 | 2850 |
| 8038/1250 | 1250 | 1750 | 560 | 375 | 9.5 | 9.5 | 19600 | 50000 | 3800 |
Send Inquiry to This Supplier
You May Also Like
-
XA200352-H Crossed Roller Bearing 274x462x59mmUS$ 10 - 300MOQ: 2 Pieces
-
RKS.921150303001 Crossed Roller BearingUS$ 100 - 1000MOQ: 2 Pieces
-
VU140179 Slewing Bearing 124.5X234X35mmUS$ 10 - 500MOQ: 2 Pieces
-
VU200260 Turntable Bearing 191x329x46mmUS$ 10 - 500MOQ: 2 Pieces
-
VU200220 Slewing Ring 138x302x46mmUS$ 10 - 500MOQ: 2 Pieces
-
VA250309-N Ball Slewing Bearing External GearUS$ 10 - 500MOQ: 5 Pieces
-
RKS.22 0411 Light Slewing Bearing With Flange for Water Treatment EquipmentsUS$ 100 - 800MOQ: 2 Sets
-
VLU200544 Bearing 434x648x56mm Made in ChinaUS$ 100 - 500MOQ: 2 Sets
-
RKS.23 0741 Slewing Bearing 634x848x56mm Made in ChinaUS$ 100 - 500MOQ: 2 Sets
-
RU42 Crossed Roller Bearing 20x70x12mm RU42UUCC0US$ 10 - 300MOQ: 10 Pieces
