1、 Overview
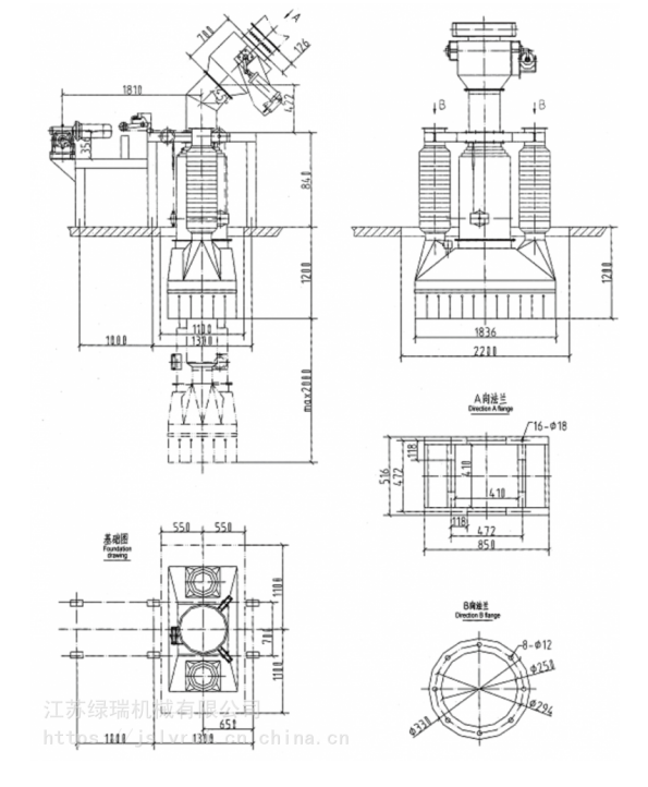
Lrssz-y stone bulk dust collecting machine is the equipment that automatically transfers stone aggregate (≤ 50mm) to clinker bulk trucks and ships from the warehouse. Lrssz-y stone bulk dust collection integrated bulk equipment (see Figure 1) is mainly composed of manual rod valve, electric sector valve (or pneumatic gate valve), winching device, telescopic unloading device, dust collection hose, dust collection fan, filter cylinder, pulse valve, limit switch, electronic control system and other parts.
2、 Technical Parameters
Note: the machine can meet the requirements of temperature and particle size of materials by changing the material.
3. Operating principle
When the vehicle enters the loading position, open the bar valve corresponding to the number of bars. Hold down the control cabinet "drop button", cutting head are obtained automatically disconnect lifting motor power, according to the "loading button" into the discharge state, an auxiliary equipment will start to work accordingly, discharge of dust through the feed hopper, the telescopic hose into the dust collector to collect dust purification, the gate of the material, the cutting head rise, alarm, rising distance to set before loading, If the rise distance is 1 meter, set the time of the time breaker to T=1/ V. Loading is always in the process of rising, when the material head is full, and then repeat the above action, after reaching the full position, press the stop button to make the vibration machine brake, or close the fan valve to stop working. After parking, press the up button to let the hopper leave the material a certain distance to ensure the movement of the transport vehicle, and then align with the second unloading station. Until the whole bin is full.
1. Schematic diagram of clinker bulk machine at the bottom of warehouse (Figure 1)
2. Schematic diagram of clinker bulk machine at warehouse side (Figure 2)
Send Inquiry to This Supplier
You May Also Like
-
Dry Ash Bulk Machine at the Bottom of the Warehouse, Cement Bulk Machine and Truck Bulk Machine at the Side of the WarehouseCNY 22000 - 28000MOQ: 1 Set
-
Bulk Loading MachineUS$ 2200 - 2800MOQ: 1 Set
-
Dry Ash Bulk Machine Telescopic Cloth Bag Wear-resistant Rain Proof Dust Collection Cloth BagNegotiableMOQ: 1 Set
-
Lvrui Mechanical Air Conveying Chute Xz500 Mineral Powder Conveying Equipment Supports CustomizationUS$ 2200 - 2800MOQ: 1 Set
-
Cement Silo Bottom Bulk Head Zsq-100 Dry Ash Bulk Machine Lvrui Machinery Customized Silo Bottom Bulk EquipmentNegotiableMOQ: 1 Piece
-
Cement Bulk Machine Dry Ash Bulk Machine Fly Ash Bulk MachineNegotiableMOQ: 1 Set
-
Dry Ash Bulk Machine Cement Tank Truck Loader Sz-150 Silo Bottom Cement Telescopic LoaderNegotiableMOQ: 1 Piece
-
Dry Ash Bulk Machine Warehouse Bottom Truck Bulk Machine Cement Ore Powder Loading MachineUS$ 2200 - 2800MOQ: 1 Set
-
Dry Ash Bulk Machine Fixed Silo Bottom Cement Bulk Machine Powder Tanker Loading MachineNegotiableMOQ: 1 Set
-
Bottom Bulk Machine for Cement Plant, Tank Car, Dust-free Bulk Machine, Powder Bulk MachineNegotiableMOQ: 1 Set


