Home > Products > Sand dust test chamber > Low Price China Environmental Sand Dust Resistance Testing Chamber Price
Low Price China Environmental Sand Dust Resistance Testing Chamber Price
- Shenzhen or choose by customer
- T/T Credit Card
You May Like
-
Low Price LR-B012 Dust Test Chamber/ip5x Ip6x Sand Dust Resistance Chamber/Dust Proof Aging Test Chamber
-
Low Price IPX123456789 Sand Dust Water Rain Test Chamber
-
Low Price IEC529 Standard Sand Dust Test Chamber TS-MYNC100 From China Factory
-
China Digital Displayer Sand And Dust Test Chamber
-
China Environmental / Sand Dust Test Chamber
-
China Stainless Steel Sand Dust Resistance Test Chamber
Product Details
| Brand Name | China | Model Number | HY-SD-50 | |
| Power | Electronic |
Wooden package,Non-fumigation
Product Description
Features:
1. The structure design of the test system is advanced and reasonable, in line with: GB2423, GB4706, GB4208, DIN
2. The main functional components of the test box are equipped with world famous brand configuration, advanced and reliable technical principles, and the best control of noise and energy saving - its performance can replace similar foreign products.
3, color touch screen man-machine interface, programmable controller, machine operation automation control.
| Performance parameter (sand and dust test chamber) | |
| Test environmental conditions: | Ambient temperature is +5~+28°C, relative humidity ≤85% |
| testing method: | GB2423, GB4706, GB4208, DIN |
| Box temperature: | 15-45 ° C |
| Relative humidity inside the box: | 45%~75% RH |
| Net nominal wire diameter: | 50um |
| Nominal spacing between lines: | Not more than 70um |
| Air flow rate: | ≤2m/s |
| Dust blowing time: | 0~9999.9h can be set |
| sensor: | Test box temperature sensor: PT100, baking dust temperature sensor: PT100 |
| Vibration time: | 1~9999min adjustable |
| Test time: | 1min~99h59min |
| Dust blowing time: | Control of blown vortex air pump, dust vibration motor and test time |
| Blowing cycle: | Continuous, periodic blowing, optional time setting |
| Shock time: | Vibration and stop vibration time are automatically alternated |
| Dust system: | 1. High-temperature nickel-chromium wire, rapid heating 2. PT100 temperature sensor, PTD+SSR control, plus temperature switch protection |
| Dust blowing system: | 1. Vortex air pump, low noise, strong power 2. Overcurrent protection device to prevent damage caused by poor working conditions |
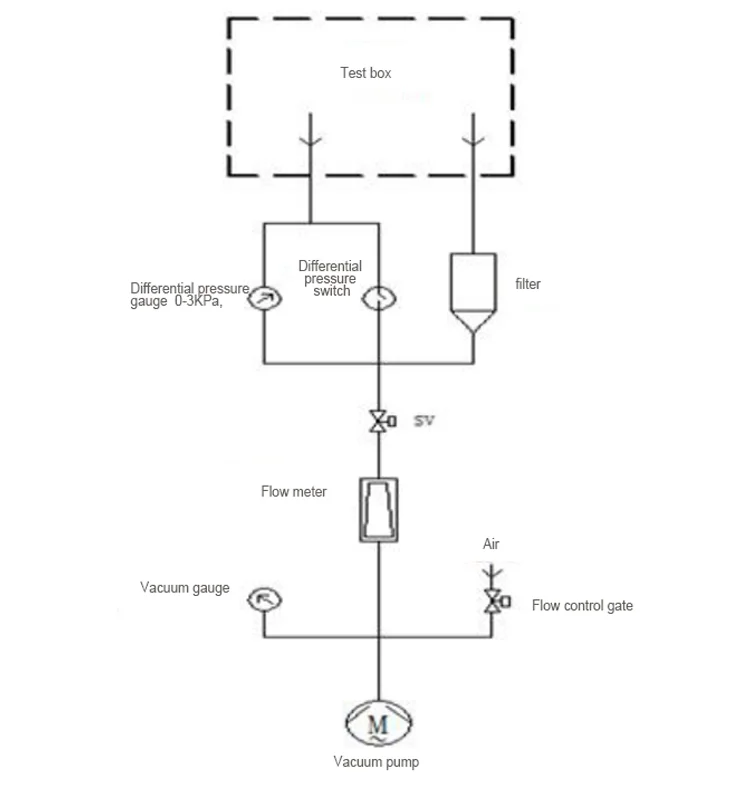
| Vacuum system (optional): | 1. High efficiency scroll vacuum pump, low noise, low energy consumption 2. Micro flow meter to visually display the degree of sealing of the tested items 3. Independent vacuum pressure gauge and system differential pressure gauge, system pressure parameters are at a glance 4. Differential pressure switch drives the throttle solenoid valve to accurately control the system pressure 5. Pipeline dust filter, easy to disassemble and maintain, improve the service life of vacuum pump 6. Add flow control valve to freely adjust system pressure |
| Specifications | |
| Nominal internal volume: | 512L |
| Box size in the test area: | 80*80*80(cm) |
| Overall size: | 140*175*95(cm) |
| weight: | 100KG |
Cabinet material:
1. Outer material: high-quality color steel plate electrostatic spraying
2. Liner material: high quality heat resistant cold resistant stainless steel plate
Test box door: Single hinged door (left hinge, right handle when facing the box) Silicone rubber tight seal with large viewing window and stainless steel wiper
Test box door:
Single hinged door (left hinge, right handle when facing the cabinet) Silicone rubber tight seal with large viewing window and stainless steel wiper
Environmental conditions:
1. Temperature: 5 ° C ~ 28 ° C
2. Relative humidity: ≤ 85%
3. Air pressure: 86kPa ~ 106kPa
Packing
Company detail
FAQ
1.What's your MOQ?
At present we haven't strict policy for this, so welcome orders with any quantity.
2. Are you a factory or trade company?
We are a manufacturer located in Dongguan. You will be welcomed to visit our factory or we also can share our factory vedio for you at any time.
3. We are not professional for operation and installation of your machine?
While it is not a stumbling block, our machine is easy to operate, no need to professional training, and the instruction manual and video sent to you are enough. What's more, we have professional engineers and they can solve all questions.
4. How about packaging? If machine damaged, what should I do ?
Usually machine is packed with wooden case and standard export carton, plywood carton or as your requirement. Damage haven't happened before, if happen, we will arrange replacement.
5. We haven't do business before, how can I trust your company and machine?
We are a factory with more than 13 years and without amy complaints on Alibaba. and our machine have exported to many countries and have a good feedback.
6. If I want to visit your factory, is the traffic convenient ?
Our company traffic is very convenient, it is only 10 minutes by car or taxi from our city light rail to our company, we also can arrange the shuttle bus for you to our factory.
7. Does your product have CE certification ?
Yes, we not only have the CE certification,but also have the FCC,ISO,etc.
8. If there is not any size meet my need, can I customiz ?
Of cause, we are the 13 years factory that with the rich experience in custom made service,not only can provide the customiz serivice,but also can provide the professional advice.
9.How is the after-sales service?
Our support is guaranteed for 12 months.
For all my customers, we will help you repair. Send us questions through text, images or videos, and we will tell you about them and help you fix them.
If the machine parts are damaged during the warranty period, we can send you a new machine parts free of charge. We have English specifications, online service personnel, video teaching of machine operation, and our machine operation is very simple.
Company Profile
Hongjing Inspection Instrument Co., Ltd. is a high-tech enterprise which specializes in producing, developing and simulating various kinds of environmental testing equipment, mechanical testing equipment, luggage testing equipment, electronic and electrical testing equipment, wire and cable testing equipment and large-scale non-standard testing equipment design and automatic control.
Contact Us
- Hongjing Test Instrument Co., Ltd.
Product Categories
New Products
-
China IEC60529 Simulated Environment IP5X IP6X Sand Dust Proof Resistance Test Chamber
-
China Environmental Sand Dust Resistance Test Chamber Price WT-6022
-
China Functional IEC60529 IP Digital Display Sand Dust Proof Resistance Environmental Test Chamber for IP5X IP6X Test
-
China Laboratory Simulated Environment Programmable Sand Dust Test Chamber
-
China Laboratory Dust And Sand Blasting Proof Environment Test Chamber
-
China Environmental HONGJIN-d0207-f2 Sand Dust Test Chamber
-
China Lab Equipment~Sand and Dust Testing Machine
-
China Hot Sale Environment Simulation Sand Dust Test Chamber
-
China Manufacturer Professional Sand Dust Environment Test Chamber In Testing Dustproof
-
China Stainless Steel Sand Dust Resistance Test Chamber With Touch Screen PCL
-
China 2019 Safety Machine Sand Dust Test Chamber
-
China Simulation Environment Sand Resistance Proof Dust Ingress Test Chamber
-
China Stainless Steel IP5X/IP6X Sand Dust Resistance Test Chamber
-
New Lab Equipment Environmental Floating Dustproof Sand Dust Test Chamber
-
New Sand Dust Test Chamber
-
New Sand Dust Proof Environmental Test Chamber/dust Test Chamber
-
New 1000 Liters Dust Sand Chamber Sand Test Chamber With Powerful Blowing System
-
New IEC60529 Simulated Enviroment Sand Dust Proof Resistance IP5X IP6X Test Chamber
-
New Simulation Environment Sand Dust Resistance Test Equipment
-
New IEC60529 Simulated Environment Sand Dust Proof Resistance IP5X IP6X Test Chamber
-
New Laboratory Constant Instrument Dustproof Machine IP66 IP54 Blowing Sand Dust Test Chamber
-
New Dustproof Ip6x IP66 Ingress Protection IP Sand Dust Test Chamber
-
New IEC60529 Standard IP 66 Sand and Dust Test Chamber China
-
New Durable Dust Settling Sand Test Chamber Adjustable Temperature Tester
Popular Searches
- digital tester
- resistance tester
- electrical instrument
- test instrument
- lab equipment
- analysis instrument
- laboratory instrument
- asphalt mixture mixer
- launch x431 master
- x431
- gloss meter
- resistance meter
- digital instrument
- dc load bank
- testing equipment
- testing machine
- battery load bank
- circuit tester
- impact tester
- lab instrument
- weather station
- gps receiver
- test equipment
- laboratory equipment
- electronic timer
- electronic meter
- electronic instrument
- electricity meter
- data collector
- experiment apparatu
Find Similar Products By Category
- Instruments & Meters > Test Instrument > Test Machine
- Please Enter your Email Address
- Please enter the content for your inquiry.
We will find the most reliable suppliers for you according to your description.
Send Now-
sales
Hi there! Welcome to my shop. Let me know if you have any questions.
Your message has exceeded the limit.
- Contact supplier for lowest price
- Customized Request
- Request Sample
- Request Free Catalogs
Your message has exceeded the limit.
-
Purchase Quantity
-
*Sourcing Details
Your inquiry content must be between 10 to 5000 characters.
-
*Email
Please enter Your valid email address.
-
Mobile






Low Price LR-B012 Dust Test Chamber/ip5x Ip6x Sand Dust Resistance Chamber/Dust Proof Aging Test Chamber
Low Price IEC529 Standard Sand Dust Test Chamber TS-MYNC100 From China Factory







China Environmental HONGJIN-d0207-f2 Sand Dust Test Chamber
New 1000 Liters Dust Sand Chamber Sand Test Chamber With Powerful Blowing System